Solution System

N98842-UN-12JUL13
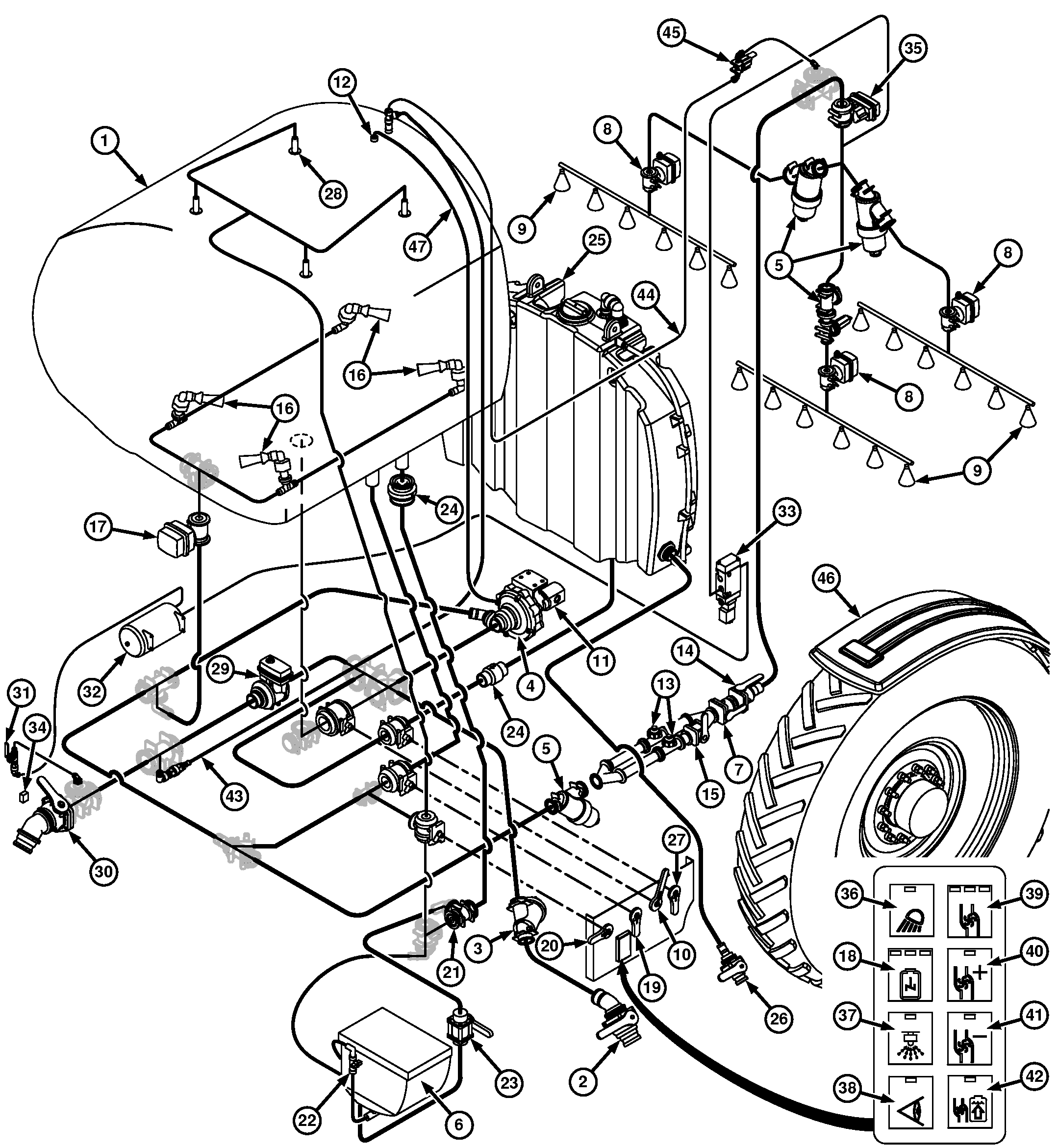
R4030 and R4038 Manual Load System

N107966-UN-04NOV13
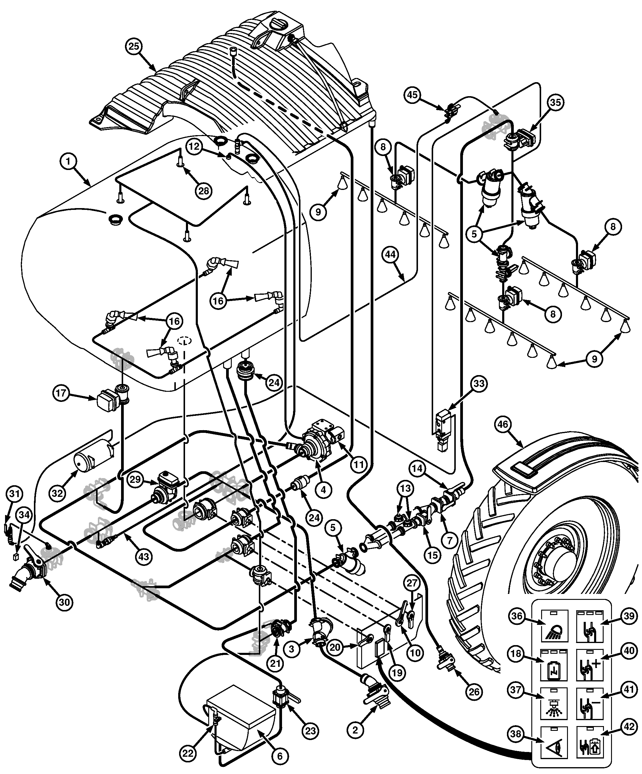
R4045 Manual Load System
1 - Solution Tank
2 - Side Quik-Fill Valve
3 - Fill Strainer (Standard)
4 - Centrifugal Pump
5 - Pressure Strainers
6 - Eductor Hopper
7 - Orifice Valve
8 - Boom Section Shut-off Valves
9 - Spray Nozzles
10 - Solution Tank Sump Valve
11 - Hydraulic Motor
12 - Pump Bleed Line
13 - Solution Flowmeter(s)
14 - Pressure Stainer Shut-off Valve
15 - Flowmeter Valve
16 - Agitation Jets
17 - Agitation Flow Rate Valve
18 - Agitation On-Off
19 - Bypass Valve
20 - Eductor/Tank Rinse Valve
21 - Eductor Venturi
22 - Eductor Rinse Valve
23 - Eductor Sump Valve
24 - Check Valve
25 - Rinse Tank
26 - Rinse Tank Fill Valve
27 - Rinse Tank Sump Valve
28 - Tank Rinse Nozzles
29 - Front Fill Isolation Valve
30 - Front Quik-Fill Valve
31 - Front Fill Air Purge Valve
32 - Air Tank
33 - Boom Air Purge Valve
34 - Front Fill Control Switch
35 - Boom Isolation Valve
36 - Fill Station Light Button
37 - Spray On-Off Button
38 - Nozzle Check Button
39 - Pump On-Off Button
40 - Increase Pump Speed Button
41 - Decrease Pump Speed Button
42 - Pull-on Button
43 - Front Fill Air Purge Line
44 - Boom Air Bleed Line
45 - Boom Air Bleed Valve
46 - Wheel Speed Sensor
System Components
The R4030 solution tank is made from polyethylene or stainless
steel (optional), and has a capacity of 3,028 L (800 gal.). The R4038
solution tanks are stainless steel and have a capacity of 3,785 L
(1000 gal.). The R4045 solution tanks are stainless steel and have
a capacity of 4542 L (1200 gal.). An access/fill cap is located at
the top of the tank. On the left-hand side of the machine is a clear
tube and graduated scale that indicates solution level in liters and
gallons. Located at the bottom of the tank is the shut-off/solution
tank sump valve.
The solution tank sump valve (10) allows the solution tank to
be drained out the side quick-fill valve (2) and supplies the centrifugal
pump (4) with solution fluid. The suction strainer (3) located in
the side fill line is constructed of a noncorrosive material that
should be cleaned as required. The solution pump (4) is a centrifugal
type that is driven by a hydraulic motor (11). Engagement and disengagement
of the pump is controlled by a button located on the keypad on the
solution command panel. Any air trapped in the pump is allowed to
escape through pump bleed line (12) this helps prevent pump cavitation.
A pressure strainer (5) is located in the chassis pressure supply
line before the solution flowmeter(s) (13). The pressure strainer
removes sediment before it reaches flowmeter and boom valves.
The orifice valve (7) is located in the solution line after
the flowmeter(s) (13). It is used to improve control of the spray
rate control system when smaller nozzles are used. The valve is set
in the open position for medium to high flow rates and in the closed
positions for lower flow rates. (See decal for settings.) The pressure
strainer shutoff valve (14) is a shutoff valve that can be closed
to allow servicing of the pressure strainer (5) and flowmeter(s) (13).
A flowmeter valve (15) (optional) is used with a high flow solution
system for flows above 454 Lpm (120 gpm). This system includes a second
flowmeter which can be included in the SprayStar rate control through
the secondary user interface in the operator station cab. For flows
less than this, the flowmeter valve should be shut off and the high
flow (dual flowmeter) option should be shut off in the secondary display.
Agitation jets (16) are in four locations on the bottom of the
tank. The jet creates a vigorous fan type agitation throughout the
tank to keep chemicals, such as wettable powders, in suspension. The
agitation valve (17) controls the agitation flow and has three settings
(1 - 3). These three settings can be programmed by the operator through
the secondary user interface located in the operator station cab.
The agitation valve (17) can be opened by a button (18) located on
the solution command panel keypad and by a button on the command arm
in the operator station cab.
The eductor/tank rinse valve (20) does one of two things:
-
Directs solution fluid to the tank rinse nozzles at the top
of the solution tank (1).
-
Directs solution fluid to the eductor venturi (21).
The eductor venturi (21) creates a vacuum to pull the chemical
in the eductor hopper (6) into the solution stream. The eductor hopper
rinse valve (22) directs water to the hopper rinse nozzles. The eductor
hopper suction valve (23) allows chemical to be drawn from the bottom
of the eductor hopper (6) to the solution tank (1).
Tank rinse nozzles (28) in the solution tank (1) are used during
a rinse cycle to clean the inside walls of the tank.
Check valves (24) are used in the system to prevent solution
from flowing in the wrong direction.
Spray section valves (8) are open/close electric actuated valves
that are enabled/disabled by buttons on the CommandARM Side Console
in the operator station.
The spray nozzles (9), located on the center frame and boom,
meter, atomize and dispense the solution into specific patterns. Solution
flow is metered by the size of the orifice in the nozzle tip. Within
limits, solution flow through a nozzle can be increased or decreased
by adjusting system pressure.
Most nozzles are designed for optimum performance at specific
pressures. However, the range of adjustment is relatively narrow.
Line pressures too high or too low will affect atomizing the solution
and create variations in the spray pattern. The solution atomizes
when the liquid is forced through the orifice in the nozzle. The shape
of the spray pattern is determined by the shape of the orifice.
The rinse tank (25) can be loaded with clean water through the
rinse tank quick-fill valve (26) for rinsing the solution system.
System Operation
When the pump is activated, solution is drawn from the solution
tank (1) through the solution tank sump valve (19). The pump pushes
the solution through the pressure strainer (5) and flowmeter(s) (13)
to the spray control valves, and to the agitation circuit through
the agitation valve (17).
When the spray control valves are open, the solution flows to
the nozzles, where it is atomized and sprayed.
The flowmeter(s) (13) on the chassis send the flow rate information
to the Spray Rate Controller (SRC), which compares that signal to
the operator-programmed application rate. If there is a difference
in the signal from the flowmeter(s) and the programmed rate, the compensator
in the proportional valve assembly will open or close as needed until
the system is stabilized and within the tolerance band of the targeted
application rate.
When the compensator opens, more hydraulic oil is sent to the
hydraulic motor, causing the solution pump to increase its flow. When
the compensator closes, less hydraulic oil is sent to the hydraulic
motor, causing the solution pump to decrease its flow.
The Spray Rate Controller (SRC) provides the ability to maintain
application within a tolerance range of application rates while changing
speeds. Application rate consistency depends on a number of things
such as nozzle tip size, target application rate, and rate of speed
change. The SRC provides quick response, but some differences in application
rates can be observed if the operator makes rapid speed changes or
operates at the extremes of the solution system’s capacity.
Key inputs to the SRC used for rate control include vehicle
speed sensors (GPS, radar and/or wheel speed), solution pump speed
sensor, solution pump outlet pressure sensor, flowmeter(s), and a
boom pressure sensor. The SRC has an internal warning system that
alerts the operator if the actual flow varies outside of the tolerance
band with the target application rate. The SRC system is a volume-regulating
system, so pressures displayed on the secondary user interface display
may vary at a given ground speed.
The solution pressure required for a given application rate
is determined by speed and nozzle tip size. Before attempting to use
the SRC, refer to a nozzle tip calculator or nozzle tip selection
charts, and make sure the spray boom is equipped with spray tip nozzles
that will provide desired application rates at desired pressures and
speeds. Then, make sure to go through the spray setup on the secondary
display user interface and input the nozzle tips being used. The secondary
user interface display will provide feedback on the tip selected for
the application rate targeted.
The master spray on-off button located on the multifunction
control handle (MFCH) and the filling station keypad is an integral
part of the SRC system. When OFF is selected, electrical power closes
the boom valves and the variable solution pump slows to maintain spray-off
pressure (as set by the operator in the spray setup).
Solution may continue to spray from the boom for a short period
of time after master “off” is selected. This is due to
pressure remaining in the line. The time interval that spray will
continue flowing depends upon pressure in the spray line, volume of
air in boom plumbing, boom hose lengths and routing, nozzle tip size,
and use of nozzle check valves. In order to compensate for the boom
shutoff lag time, master spray OFF should be selected prior to reaching
the end row and remove air from boom solution plumbing.
When master spray ON has been selected, the variable solution
pump will maintain the minimum solution pressure as set by the operator
if the machine is moving slowly or is not moving. This may result
in an application rate that is higher than the target application
rate. Likewise, if the machine is moving too fast, the variable solution
pump will maintain the maximum solution pressure. This may result
in an application rate that is lower than the target application rate.
|
Quik-Fill is a trademark of Deere & Company
|
CS12167,00004E2-19-20140306
|
|