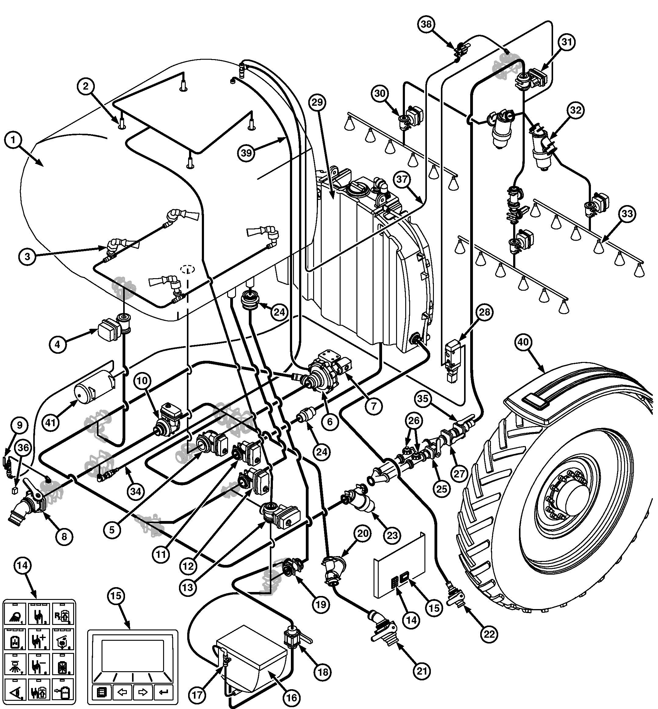
Solution System

N98845-UN-18JUN13
R4030 and R4038 Solution Command System

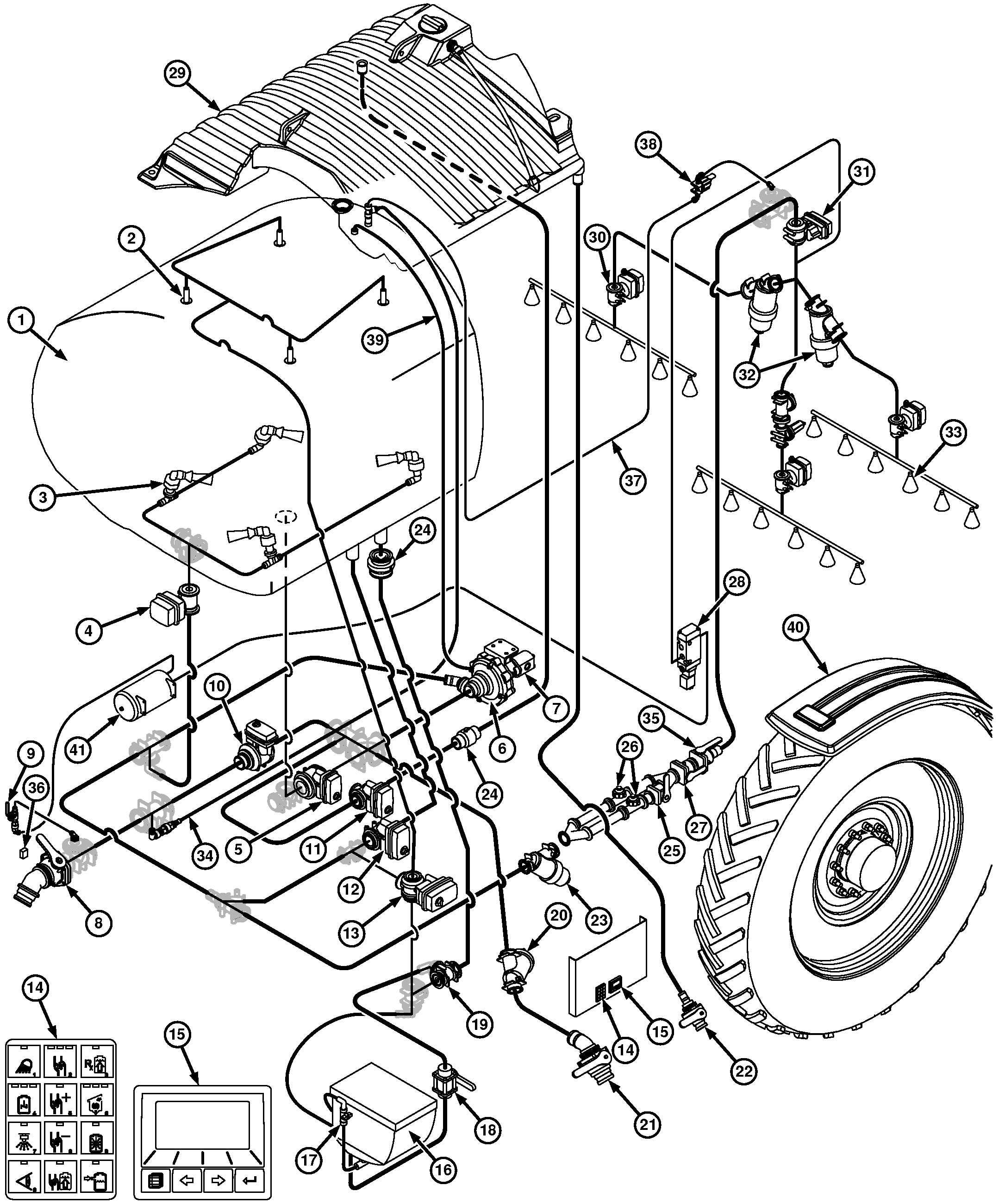
N107968-UN-17DEC13
R4045 Solution Command System
1 - Solution Tank
2 - Solution Tank Rinse Nozzle
3 - Solution Tank Agitation Nozzle
4 - Agitation Valve
5 - Solution Tank Sump Valve
6 - Centrifugal Pump
7 - Hydraulic Motor
8 - Front Quik-Fill Valve
9 - Front Fill Air Purge Valve
10 - Front Fill Isolation Valve
11 - Rinse Tank Sump Valve
12 - Bypass Valve
13 - Eductor/Tank Rinse Valve
14 - Solution Command Keypad
15 - Solution Command Micro Display
16 - Eductor Hopper
17 - Eductor Hopper Rinse Valve
18 - Eductor Hopper Sump Valve
19 - Eductor Venturi
20 - Suction Strainer (20 Mesh)
21 - Side Quik-Fill Valve
22 - Rinse Tank Quik-Fill Valve
23 - Pressure Strainer (50 Mesh)
24 - Check Valve
25 - High Flow Valve
26 - Solution Flowmeter
27 - Orifice Valve
28 - Boom Air Purge Valve
29 - Rinse Tank
30 - Spray Section Valve
31 - Boom Isolation Valve
32 - Boom Strainer (80 Mesh)
33 - Spray Nozzle
34 - Front Fill Air Purge Bleed Line
35 - Flowmeter Shutoff Valve
36 - Front Fill Switch
37 - Boom Air Bleed Line
38 - Boom Air Bleed Valve
39 - Solution Pump Bleed Line
40 - Wheel Speed Sensor
41 - Air Tank
System Components
The R4030 solution tank is made from polyethylene or stainless
steel (optional), and has a capacity of 3,028 L (800 gal.). The R4038
solution tanks are stainless steel and have a capacity of 3,785 L
(1000 gal.). An access/fill cap is located at the top of the tank.
The R4045 solution tanks are stainless steel and have a capacity of
4,542 L (1200 gal.). An access/fill cap is located at the top of the
tank. On the left-hand side of the machine is a clear tube and graduated
scale that indicates solution level in liters and gallons. Located
at the bottom of the tank is the solution tank sump valve (5).
The solution tank sump valve allows the solution tank to be
drained out the side quick-fill valve (21) and supplies the centrifugal
pump (6) with solution fluid. The suction strainer located in the
side fill line is constructed of a noncorrosive material that should
be cleaned as required. The solution pump (6) is a centrifugal type
that is driven by a hydraulic motor (7). Engagement and disengagement
of the pump is controlled by a button located on the CommandARM armrest
or at the load station key pad (14). Any air trapped in the pump is
allowed to escape through the solution pump bleed line (39). This
helps prevent pump cavitation.
A pressure strainer (23) is located in the chassis pressure
supply line before the solution flowmeter(s) (26). The pressure strainer
removes sediment before it reaches flowmeter and boom valves.
An orifice valve (27) is located on the chassis immediately
after the flowmeter(s) (26). It is used to improve control of the
spray rate control system when smaller nozzles are used. The valve
is set in the ON (High flow) position for medium to high flow rates
and in the OFF (Low flow) position for lower flow rates. (See decal
for settings.) Immediately following the orifice valve (27) is the
flowmeter shutoff valve (35) that can be closed to allow servicing
of the pressure strainer (23) and flowmeter(s) (26).
A high flow valve (25) (optional) is used with a high flow solution
system for flows above 341 Lpm (90 gpm). This system includes a second
flowmeter which can be included in the SprayStar rate control through
the GS3 display in the operator station cab. For flows less than this,
the high flow valve (25) should be shut off and the high flow (dual
flowmeter) option should be shut off in the display.
Agitation nozzles (3) are in four locations on the bottom of
the tank. The nozzles create a vigorous fan-type agitation throughout
the tank to keep chemicals, such as wettable powders, in suspension.
The agitation valve (4) controls the agitation flow and has three
settings (1- 3). These three settings can be selected by the operator
through the display located in the operator station cab. The agitation
valve (4) can be opened by a button located on the load station keypad
and by a button on the CommandARM armrest in the operator station
cab.
The tank rinse nozzle/eductor valve (13) does one of two things:
-
Directs solution fluid to the tank rinse nozzles at the top
of the solution tank (1).
-
Directs solution fluid to the eductor venturi (19).
The eductor venturi (19) creates a vacuum to pull the chemical
in the eductor hopper (16) into the solution stream. The eductor hopper
rinse valve (17) directs water to the hopper rinse nozzles. The eductor
hopper suction valve (18) allows chemical to be drawn from the bottom
of the eductor hopper (16) to the solution tank (1).
Tank rinse nozzles (2) in the solution tank (1) are used during
a rinse cycle to clean the inside walls of the tank.
Check valves (24) are used in the system to prevent solution
from flowing in the wrong direction.
Spray section valves (30) are open/close electric actuated valves
that are enabled/disabled by buttons on the CommandARM Side Console.
The spray nozzles (33), located on the center frame and boom,
meter, atomize and dispense the solution into specific patterns. Solution
flow is metered by the size of the orifice in the nozzle tip. Within
limits, solution flow through a nozzle can be increased or decreased
by adjusting system pressure.
Most nozzles are designed for optimum performance at specific
pressures. However, the range of adjustment is relatively narrow.
Line pressures too high or too low will affect atomizing the solution
and create variations in the spray pattern. The solution atomizes
when the liquid is forced through the orifice in the nozzle. The shape
of the spray pattern is determined by the shape of the orifice.
The rinse tank (29) can be loaded with clean water through the
rinse tank quick-fill valve (22) for rinsing the solution system.
System Operation
When the pump is activated, solution is drawn from the solution
tank (1) through the solution tank sump valve (5). The pump pushes
the solution through the pressure strainer (23) and flowmeter(s) (26)
to the spray control valves, and to the agitation circuit through
the agitation valve (4).
When the spray control valves are open, the solution flows to
the nozzles, where it is atomized and sprayed.
The flowmeter(s) (26) on the chassis send the flow rate information
to the Spray Rate Controller (SRC), which compares that signal to
the operator-programmed application rate. If there is a difference
in the signal from the flowmeter(s) and the programmed rate, the compensator
in the proportional valve assembly will open or close as needed until
the system is stabilized and within the tolerance band of the targeted
application rate.
When the compensator opens, more hydraulic oil is sent to the
hydraulic motor, causing the solution pump to increase its flow. When
the compensator closes, less hydraulic oil is sent to the hydraulic
motor, causing the solution pump to decrease its flow.
The Spray Rate Controller (SRC) provides the ability to maintain
application within a tolerance range of application rates while changing
speeds. Application rate consistency depends on a number of things
such as nozzle tip size, target application rate, and rate of speed
change. The SRC provides quick response, but some differences in application
rates can be observed if the operator makes rapid speed changes or
operates at the extremes of the solution system’s capacity.
Key inputs to the SRC used for rate control include wheel speed
sensor(s), solution pump speed sensor, solution pump outlet pressure
sensor, flowmeter(s), and a boom pressure sensor. The SRC has an internal
warning system that alerts the operator if the actual flow varies
outside of the tolerance band with the target application rate. The
SRC system is a volume-regulating system, so pressures displayed on
the secondary user interface display may vary at a given ground speed.
The solution pressure required for a given application rate
is determined by speed and nozzle tip size. Before attempting to use
the SRC, refer to a nozzle tip calculator or nozzle tip selection
charts, and make sure the spray boom is equipped with spray tip nozzles
that will provide desired application rates at desired pressures and
speeds. Then, make sure to go through the spray setup on the display
and input the nozzle tips being used. The display will provide feedback
on the tip selected for the application rate targeted.
The master spray ON/OFF button located on the multifunction
control handle (MFCH) and the solution command station keypad (14)
is an integral part of the SRC system. When “off” is selected,
electrical power closes the boom valves and the variable solution
pump slows to maintain spray-off pressure (as set by the operator
in the spray setup).
Solution may continue to spray from the boom for a short period
of time after master “off” is selected. This is due to
pressure remaining in the line. Purging air out of boom lines will
greatly improve response times. The time interval that spray will
continue flowing depends upon pressure in the spray line, boom hose
lengths and routings, the volume of air in boom, nozzle tip size,
and use of nozzle check valves. In order to compensate for the boom
shutoff lag time, master “off” should be selected prior
to reaching the end row.
When master “on” has been selected, the variable
solution pump will maintain the minimum solution pressure as set by
the operator if the machine is moving slowly or is not moving. This
may result in an application rate that is higher than the target application
rate. Likewise, if the machine is moving too fast, the variable solution
pump will maintain the maximum solution pressure. This may result
in an application rate that is lower than the target application rate.
|
Quik-Fill is a trademark of Deere &
Company
Quik-Fill is a trademark of Deere &
Company
Quik-Fill is a trademark of Deere
& Company
|
CS12167,00004FB-19-20140320
|
|