Analyze Test Results

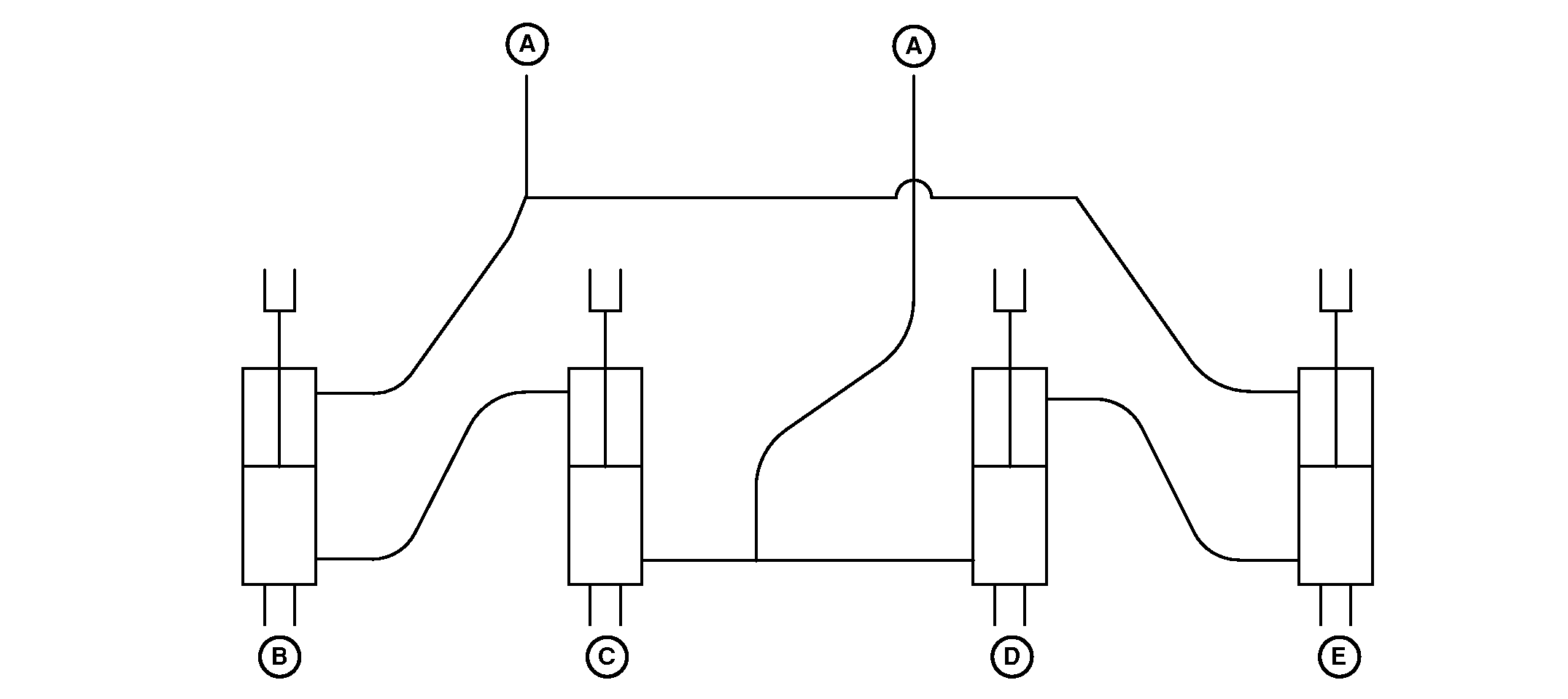
N59186-UN-18JAN02
A - To Tractor
B - #1 Left Wing Cylinder
C - #2 Left Main Frame Cylinder
D - #3 Right Main Frame Cylinder
E - #4 Right Wing Cylinder
|
#1 Left Wing Cylinder
|
#2 Left Main Frame Cylinder
|
#3 Right Main Frame Cylinder
|
#4 Ring Wing Cylinder
|
Repair Leaking Cylinder
|
|
R
|
NC
|
NC
|
NC
|
#1 Left Wing
|
|
NC
|
NC
|
NC
|
R
|
#4 Right Wing
|
|
NC/E
|
R
|
R
|
R
|
#2 Left Main Frame
|
|
R
|
R
|
R
|
NC/E
|
#3 Right Main Frame
|
|
NC/E
|
R
|
R
|
NC/E
|
#2 and #3 Main Frame
|
NOTE: When a main frame cylinder is leaking, wing-frame on same
side will extend in most cases. In some cases, after repairing
main frame cylinders, a wing-frame cylinder leak may be discovered.
|
|
KB78086,0000BCE-19-20160429
|
|