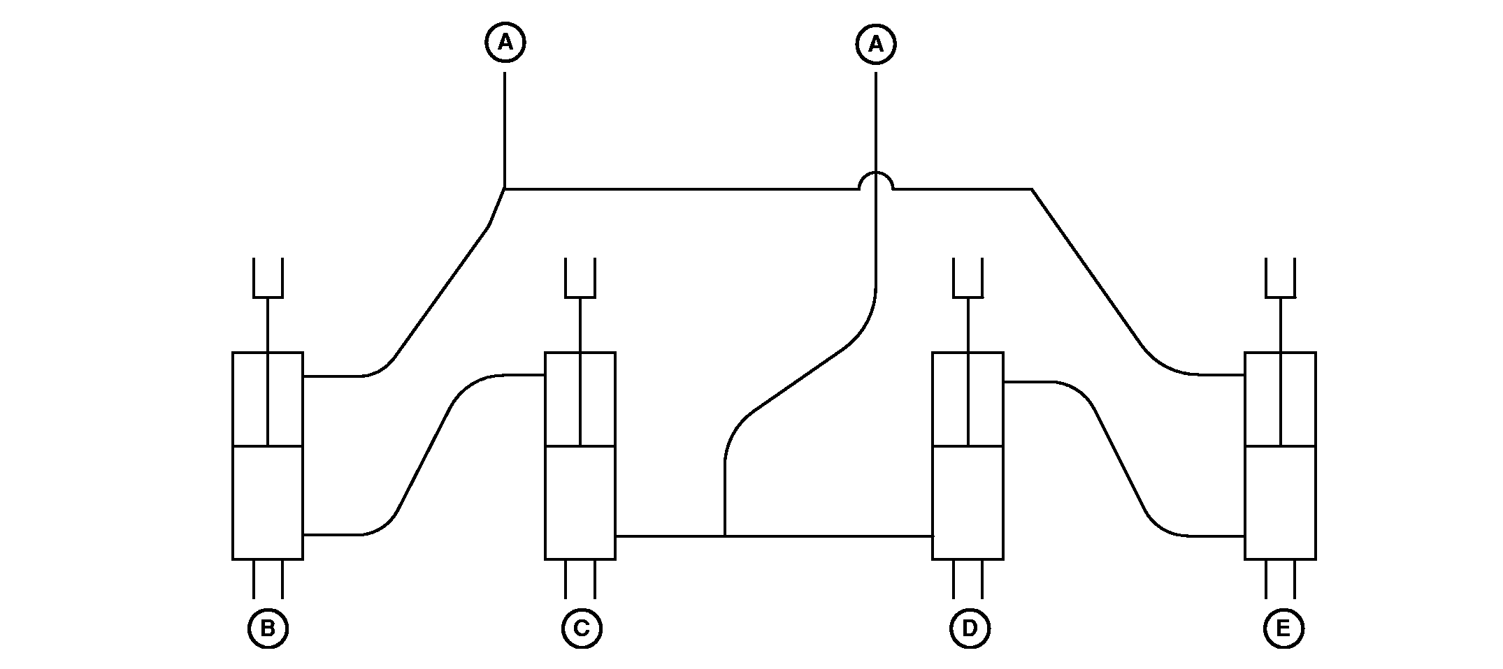
Analyzing Test Results-Series-Parallel System

N59186


A-To Tractor
B-#1 Left Wing Cylinder


C-#2 Left Main Frame Cylinder


D-#3 Right Main Frame Cylinder


E-#4 Right Wing Cylinder

#1 Left Wing Cylinder #2 Left Main Frame Cylinder #3 Right Main Frame Cylinder #4 Right Wing Cylinder Repair Leaking Cylinder
R NC NC NC #1 (B) L.H. Wing
NC NC NC R #4 (E) R.H. Wing
NC/E R R R #2 (C) L.H. M.F.
R R R NC/E #3 (D) R.H. M. F.
NC/E R R NC/E #2 (C) and #3 (D) Main Frame

 

    Key for Test Results Table

  • R = Retracts more than 10 mm (3/8 in.)
  • E = Extends more than 10 mm (3/8 in.)
  • NC = No Change or less than 10 mm (3/8 in.)
  • NC/E = No Change or Extends

NOTE: When a main frame cylinder is leaking, wing-frame on same side will extend in most cases.

In some cases, after repairing main frame cylinder(s), a wing-frame cylinder leak may be discovered.

AG,OUO1011,2745 -19-03APR00-1/1