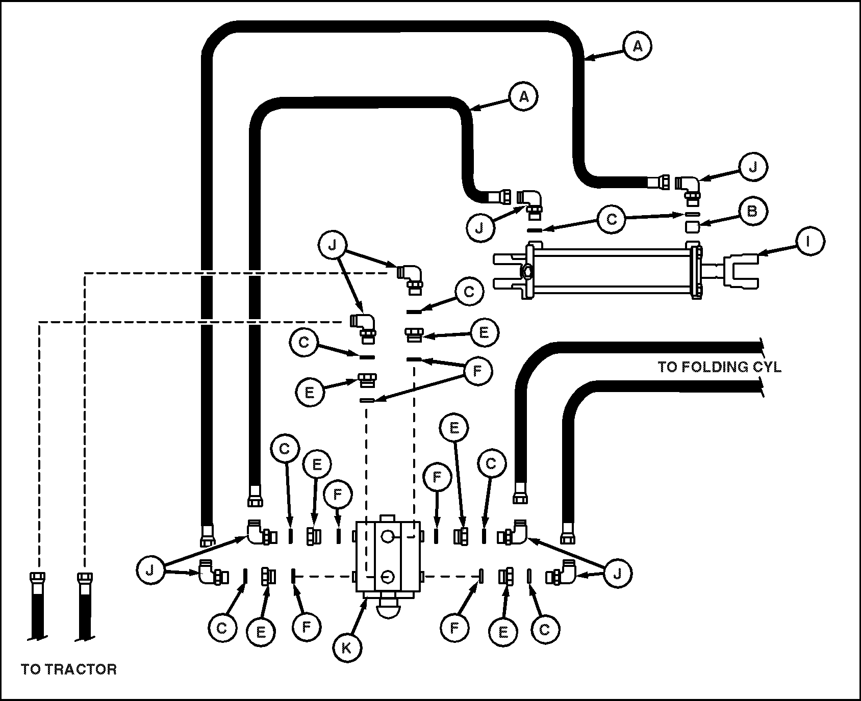
Hydraulic Diagram-Single (Left-Hand) Row Markers

N42115EF


A-Hose 6 x 6477 mm (1/4 x 255 in.)
B-Orifice, 0.67 in.
C-O-Ring


D-Fitting
E-Adapter
F-O-Ring (1-in.)
G-Hose 6 x 1118 mm (1/4 x 44 in.)


H-Hose 6 x 1727 mm (1/4 x 68 in.)
I-Cylinder 76 x 203 mm (3 x 8 in.)


J-Elbow Fitting
K-Selector Valve

AG,OUO1018,96 -19-01APR99-1/1