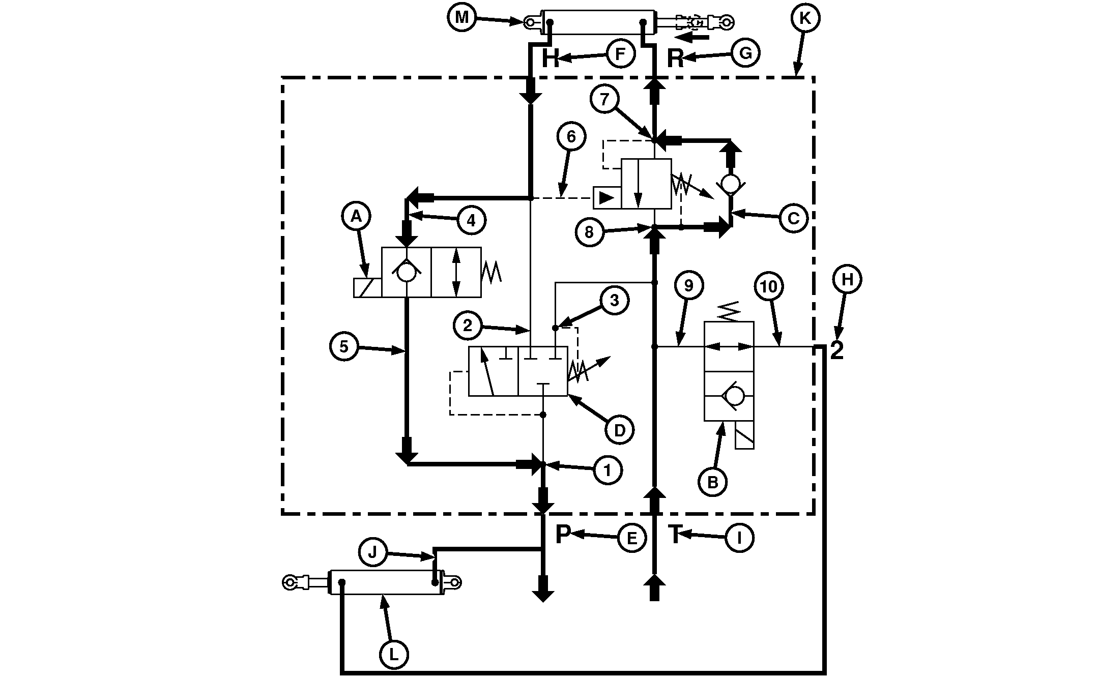
23-Row Wing Fold Hydraulic System

N88535-UN-20MAY10
A - Outer Wing Fold Valve
B - Center Flow Divider Manifold
The following schematics illustrate the six system states of
the outer wing fold valve (A) during unfolding and folding. The 23-row
wing fold hydraulic system uses two outer wing fold valves, one on
each outer wing. The following schematics only show the outer wing
fold valve and not the center flow divider manifold (B).

N88528-UN-25MAY10
Wing Fold Hydraulic System Components
|
Legend
|
Component
|
Description
|
|
A
|
SV1 Valve Cartridge
|
Normally OPEN valve. Should receive 12V once switch closes.
|
|
B
|
SV2 Valve Cartridge
|
Normally CLOSED valve. Should receive 12V once switch closes.
|
|
C
|
Counter Balance Valve Cartridge (CB1)
|
Three circuits through the valve
1. Opens via pilot pressure at point 6—allows oil to flow
out port R.
2. Opens via pressure greater than 17 237 kPa (172 bar) (2500
psi) from port R at point 7.
3. Directional flow check valve always allows oil to flow from
port T towards port R from point 8 to point 7.
|
|
D
|
PSI Valve Cartridge
|
Pressure activated valve. Normally closed. Opens when pressure
at point 1 reaches 15 168 kPa (151.6 bar) (2200 psi).
|
|
E
|
Port P (Pressure from Tractor)
|
To main frame splitter valve, pressure side.
|
|
F
|
Port H
|
To base end of outer wing fold cylinder.
|
|
G
|
Port R
|
To rod end of outer wing fold cylinder.
|
|
H
|
Port 2
|
To rod end of front fold wing cylinder.
|
|
I
|
Port T (Return to Tractor)
|
Return to tractor via junction with other machine return lines.
|
|
J
|
Oil to base end of front fold wing cylinder
|
Teed external of valve at port P.
|
|
K
|
Outer Wing Fold Valve
|
One valve per front fold wing.
|
|
L
|
Cylinder
|
Front Fold Wing
|
|
M
|
Cylinder
|
Outer Wing Fold
|
-
NOTE: With all unfolding procedures, the inner wing will be
fully unfolded first.
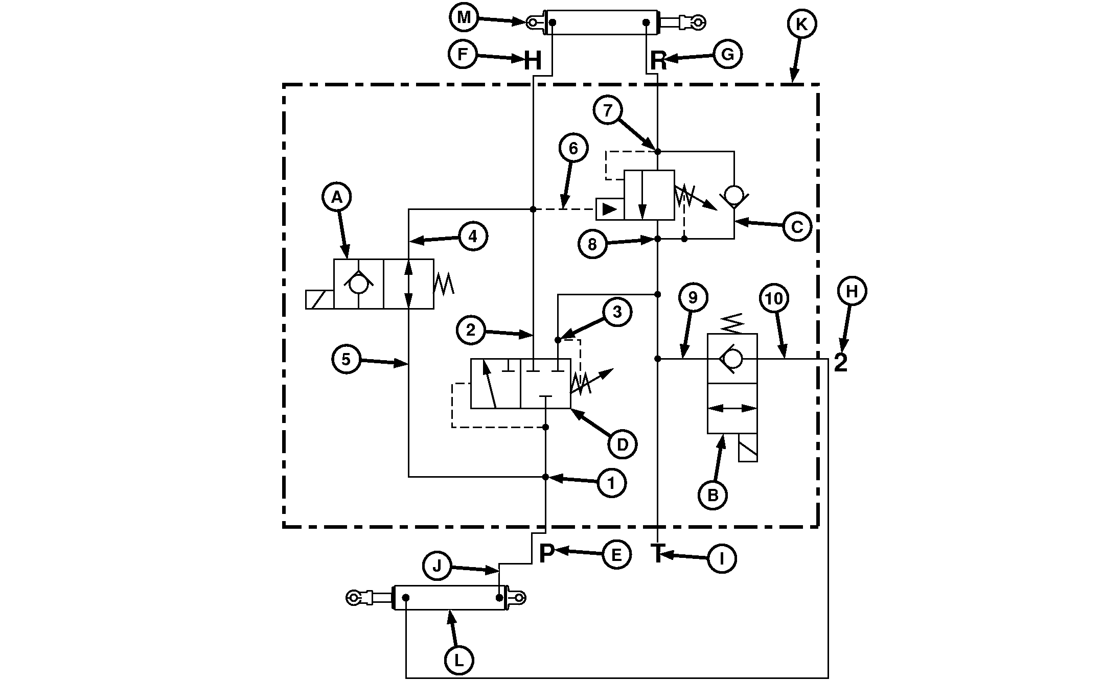
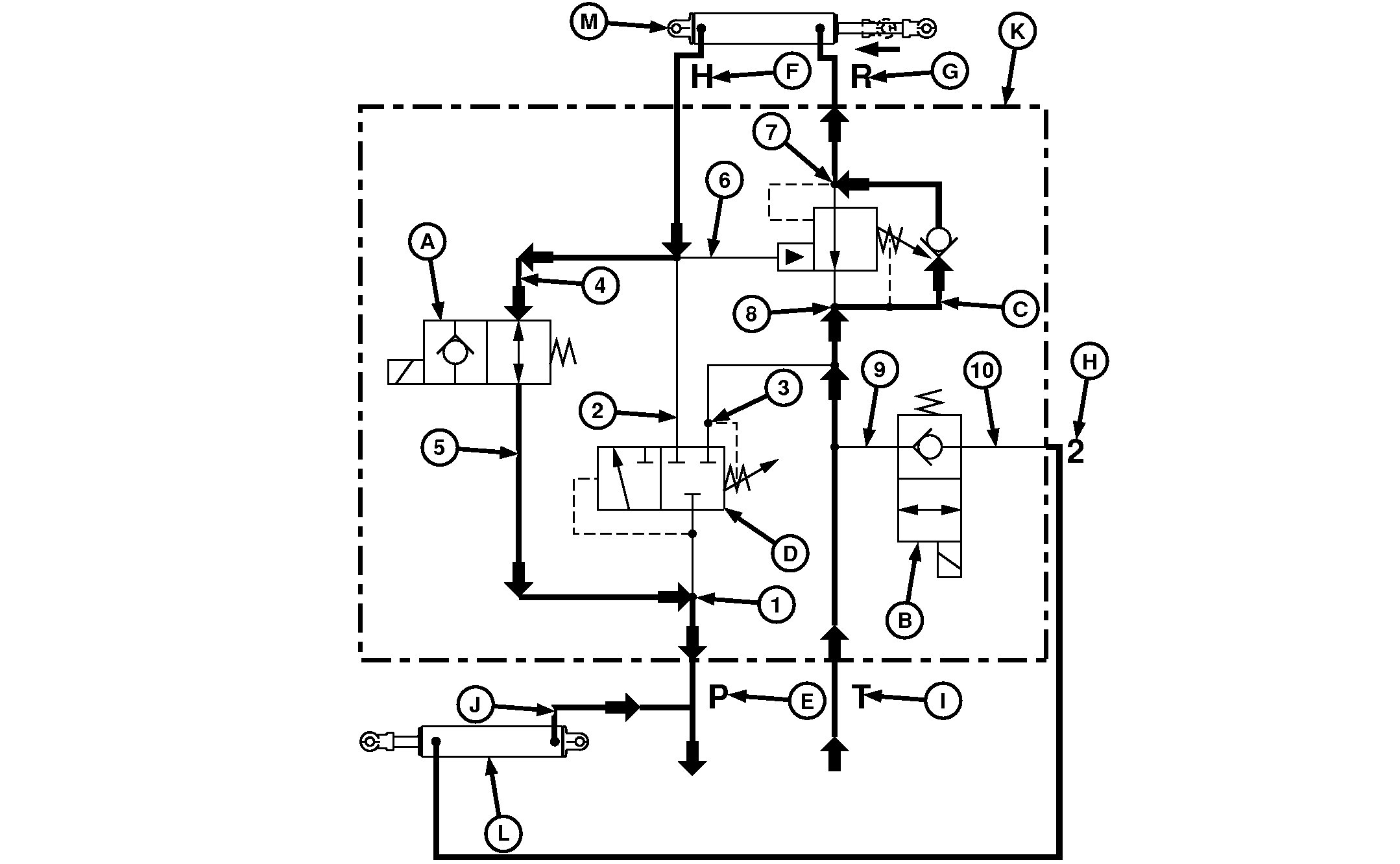
Unfolding, Switch OFF

N88529-UN-25MAY10
| |
Component Status
|
|
Legend
|
A
|
B
|
C
|
D
|
E
|
F
|
G
|
H
|
I
|
J
|
K
|
L
|
M
|
|
|
System State
|
SV1 normally open
|
SV2 normally closed
|
CB1
|
PS1
|
Port P (Pressure from Tractor)
|
Port H
|
Port R
|
Port 2
|
Port T (Return to Tractor)
|
Base End Front Folding Wing Cylinder
|
Outer Wing Fold Valve
|
Front Fold Wing Cylinder
|
Outer Wing Fold Cylinder
|
Machine Movement
|
|
Unfolding, switch off
|
Open
|
Closed
|
Open via pilot pressure at point 6, allowing oil flow from point
7 to 8
|
Closed, no flow through
|
Pressure oil from main frame splitter
|
Oil flow from port P, through SV1, to base end of outer wing
fold cylinder
|
Oil from rod end outer wing fold cylinder
|
No flow, SV2 closed
|
Oil from port R through CB1
|
No flow, no path from rod end
|
|
|
|
Outer wing unfolding and front fold wing stationary
|
-
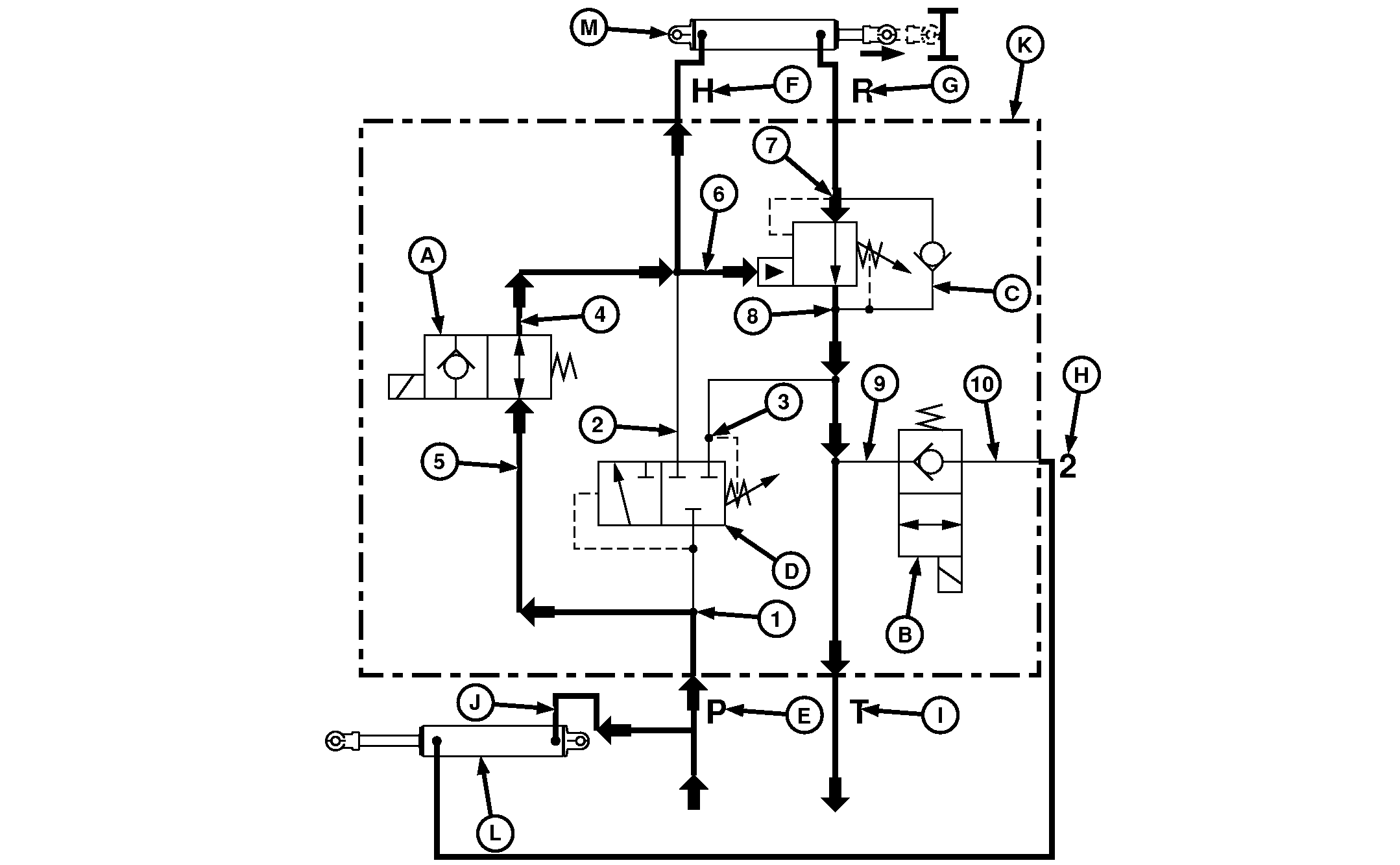
Unfolding, Switch On, Front Fold Cylinder
Extending

N88530-UN-25MAY10
| |
Component Status
|
|
Legend
|
A
|
B
|
C
|
D
|
E
|
F
|
G
|
H
|
I
|
J
|
K
|
L
|
M
|
|
|
System State
|
SV1 normally open
|
SV2 normally closed
|
CB1
|
PS1
|
Port P (Pressure from Tractor)
|
Port H
|
Port R
|
Port 2
|
Port T (Return to Tractor)
|
Base End Front Folding Wing Cylinder
|
Outer Wing Fold Valve
|
Front Fold Wing Cylinder
|
Outer Wing Fold Cylinder
|
Machine Movement
|
|
Unfolding, switch on, front fold wing cylinder extending
|
Closed
|
Open
|
Closed, no pressure
|
Closed, no flow through
|
No flow, no oil path
|
No flow, no oil path
|
No flow, CB1 closed
|
Oil flow from rod end of front fold wing cylinder.
|
Return oil from port 2 through SV2
|
Pressure oil from main frame splitter
|
|
|
|
Outer wing stops, not completely unfolded and front fold wing
completely unfolds
|
-
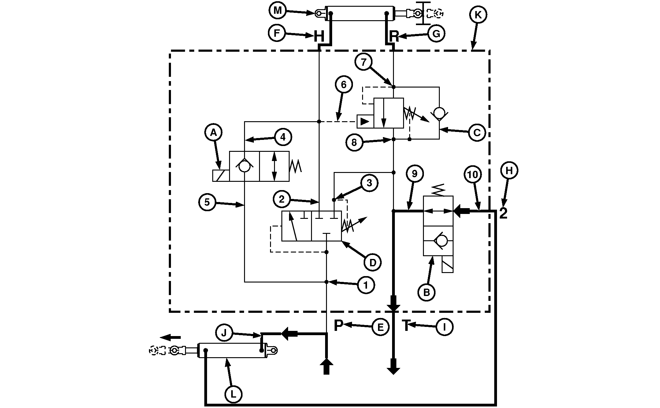
Unfolding, Switch On, Front Fold Wing Cylinder
Fully Extended

N88531-UN-25MAY10
| |
Component Status
|
|
Legend
|
A
|
B
|
C
|
D
|
E
|
F
|
G
|
H
|
I
|
J
|
K
|
L
|
M
|
|
|
System State
|
SV1 normally open
|
SV2 normally closed
|
CB1
|
PS1
|
Port P (Pressure from Tractor)
|
Port H
|
Port R
|
Port 2
|
Port T (Return to Tractor)
|
Base End Front Folding Wing Cylinder
|
Outer Wing Fold Valve
|
Front Fold Wing Cylinder
|
Outer Wing Fold Cylinder
|
Machine Movement
|
|
Unfolding, switch on, front fold wing cylinder fully extended
|
Closed
|
Open
|
Open via pilot pressure from PS1
|
Open, pressure exceeds 15 168 kPa (151.6 bar) (2200 psi) allowing
oil flow from point 1 to 2
|
pressure oil from main frame splitter to PS1
|
Oil flow from port P, through PS1, to base end of outer wing
fold cylinder
|
Oil from rod end outer wing fold cylinder
|
No flow, cylinder fully extended
|
Oil from port R through CB1
|
No flow, cylinder fully extended
|
|
|
|
Outer wing completes unfolding
|
-
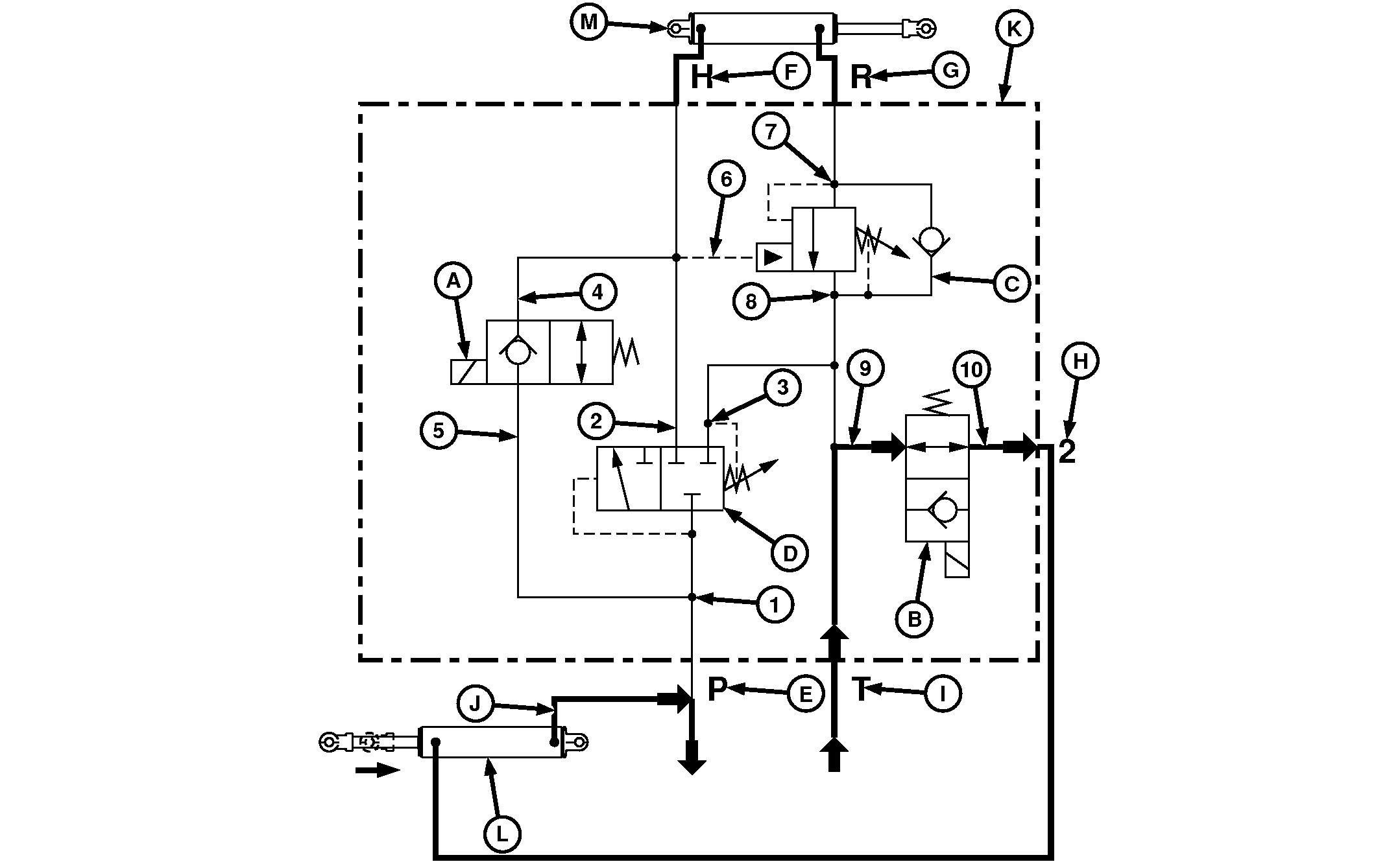
NOTE: With all folding procedures, the inner wing will fold
after front fold wing and outer wing are fully folded.
Folding, Switch On, Front Fold Wing Cylinder
Retracting

N88532-UN-25MAY10
| |
Component Status
|
|
Legend
|
A
|
B
|
C
|
D
|
E
|
F
|
G
|
H
|
I
|
J
|
K
|
L
|
M
|
|
|
System State
|
SV1 normally open
|
SV2 normally closed
|
CB1
|
PS1
|
Port P (Pressure from Tractor)
|
Port H
|
Port R
|
Port 2
|
Port T (Return to Tractor)
|
Base End Front Folding Wing Cylinder
|
Outer Wing Fold Valve
|
Front Fold Wing Cylinder
|
Outer Wing Fold Cylinder
|
Machine Movement
|
|
Folding, switch on, front fold wing cylinder retracting
|
Closed, no oil flow from H towards P. (See CB1 in this step.)
|
Open
|
No oil flow because pressure to retract wing fold cylinder and
outer wing fold is greater than the pressure to retract the front
fold wing cylinder.
|
No flow
|
|
Flow from base end of outer wing fold cylinder
|
Flow to rod end of outer wing cylinder
|
Flow to rod end of front fold wing cylinder
|
Flow from tractor
|
Flow from returning to main frame splitter
|
|
|
|
Front fold wing starts and completes folding.
This movement is controlled by hydraulic flow through the path
of least resistance.
|
-
Folding, Switch On, Front Fold Wing Cylinder
Fully Retracted

N88533-UN-25MAY10
| |
Component Status
|
|
Legend
|
A
|
B
|
C
|
D
|
E
|
F
|
G
|
H
|
I
|
J
|
K
|
L
|
M
|
|
|
System State
|
SV1 normally open
|
SV2 normally closed
|
CB1
|
PS1
|
Port P (Pressure from Tractor)
|
Port H
|
Port R
|
Port 2
|
Port T (Return to Tractor)
|
Base End Front Folding Wing Cylinder
|
Outer Wing Fold Valve
|
Front Fold Wing Cylinder
|
Outer Wing Fold Cylinder
|
Machine Movement
|
|
Folding, switch on, front fold wing cylinder fully retracted
|
Oil flow from points 4 to 5 via flow check valve circuit
|
Open
|
Oil flow from port T toward R from points 8 to 7 through flow
check valve circuit
|
No flow
|
Flow from Port H via flow check valve circuit in SV1
|
Flow from base end of outer wing fold cylinder
|
Flow to rod end of outer wing cylinder
|
No flow, cylinder fully retracted
|
Flow from tractor
|
No flow, cylinder fully retracted
|
|
|
|
Outer wing begins folding immediately after full retraction
of front fold wing cylinder.
|
-
Folding Switch Off, Front Fold Wing Cylinder
Fully Retracted

N88534-UN-25MAY10
| |
Component Status
|
|
Legend
|
A
|
B
|
C
|
D
|
E
|
F
|
G
|
H
|
I
|
J
|
K
|
L
|
M
|
|
|
System State
|
SV1 normally open
|
SV2 normally closed
|
CB1
|
PS1
|
Port P (Pressure from Tractor)
|
Port H
|
Port R
|
Port 2
|
Port T (Return to Tractor)
|
Base End Front Folding Wing Cylinder
|
Outer Wing Fold Valve
|
Front Fold Wing Cylinder
|
Outer Wing Fold Cylinder
|
Machine Movement
|
|
Folding, switch off, front fold wing cylinder fully retracted
|
Open
|
Closed
|
Oil flow from port T toward R from points 8 to 7 through flow
check valve circuit
|
No flow
|
Flow from Port H through SV1, returns oil to tractor through
center flow divider manifold
|
Flow from base end of outer wing fold cylinder
|
Flow to rod end of outer wing fold cylinder
|
No flow, SV2 closed
|
Flow from tractor return line
|
No flow, no path from rod end
|
|
|
|
Outer wing completes folding
|
|
|
OUO6061,0002BB5-19-20100526
|
|