Sicherungen im Sicherungskasten
HINWEIS: Die Rückenlehne des Sitzes umlegen. Hierdurch wird
der Zugang einfacher und die Kabinenbeleuchtung kann den Sicherungskasten
zum Prüfen oder Austauschen von Sicherungen ausleuchten.
Zwei Sicherungskästen (Kabine und vorn) und ein Hauptsicherungsmodul
enthalten die austauschbaren Sicherungen des Systems.
Die Sicherungstafel (B) im Verteilerkasten (Traktoren mit Kabine)
ist direkt hinter dem Fahrersitz und genau unter dem hinteren Kabinenfenster.
Fach für Betriebsanleitung (A) anheben, um Zugang zum Sicherungskasten
zu erhalten.

RXA0135034-UN-14AUG13
Fach für Betriebsanleitung

RXA0135035-UN-14AUG13
Sicherungstafel im Sicherungskasten
A - Fach für Betriebsanleitung
B - Sicherungstafel im Sicherungskasten
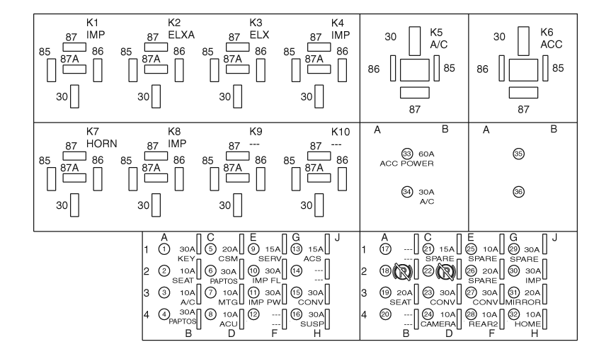
Das Diagramm zeigt Lage, Stärke und
Beschreibung der Sicherungen im Sicherungskasten.

RXA0130346-UN-28JAN13
Sicherungskasten – Legende
A - Nummer des Steckplatzes der Sicherung
B - Stärke der Sicherung
WICHTIG:

RXA0127389-UN-25JAN13
K1 - Stromversorgungsrelais für ISO-Anbaugeräte-Anschluss
K2 - Elektronikrelais
K3 - Elektronikrelais
K4 - Relais für Anbaugeräte-Zubehör
K5 - Gebläserelais
K6 - Relais für Zubehör
K7 - Relais für Signalhorn
K8 - Relais für Arbeitsscheinwerfer für Anbaugerät
K9 - Nicht benutzt
K10 - Nicht benutzt
1 - Zündschalter (30 A)
2 - Fahreranwesenheitsschalter (10 A)
3 - Klimaanlage (10 A)
4 - Servoschaltung der Heckzapfwelle (PAPTOS) (falls
vorhanden) (30 A)
5 - Radio, Primäranzeige und Innenbeleuchtung
(20 A)
6 - Servoschaltung der Heckzapfwelle (PAPTOS) (falls
vorhanden) (30 A)
7 - Modulares Telematik-Gateway (10 A)
8 - Armlehnen-Steuereinheit (10 A)
9 - Server (15 A)
10 - Arbeitsscheinwerfer für Anbaugerät (30
A)
11 - Anbaugeräte-Zubehör (30 A)1
12 - Nicht benutzt
13 - ActiveCommand Steering (falls vorhanden) (15 A)
14 - Nicht benutzt
15 - Steckdose (Batteriestrom) (30 A)
16 - Nicht benutzt
17 - Nicht benutzt
18 - Entriegelung der Feststellbremse
19 - Bedienungseinrichtungen für Sitz (20 A)
20 - Nicht benutzt
21 - Reserve (15 A)
22 - Entriegelung der Feststellbremse
23 - Steckdose (geschalteter Strom) (30 A)
24 - Videokamera-Spannungsversorgung und Armlehnen-Steckdose
(10 A)
25 - Reserve (10 A)
26 - Reserve (20 A)
27 - Steckdose (geschalteter Strom) (30 A)
28 - Hintere Hauptsteuereinheit (10 A)
29 - Reserve (30 A)
30 - Steckverbinder für ISO-Anbaugerät (30
A)
31 - Elektrische Spiegelverstellung (20 A)
32 - Notfahrmodus (nur IVT /AutoPowr) (10 A)
33 - Stromversorgung für Zubehör (60 A)
34 - Gebläsemotor (30 A)
35 - Nicht benutzt
36 - Nicht verwendet
(Nur Motoren Final Tier 4 und Stufe IV. Um festzustellen,
mit welchem Motor der Traktor ausgerüstet ist, siehe “Motorseriennummer
notieren” im Abschnitt “Seriennummern” in dieser
Betriebsanleitung.) Die Batterie nicht abklemmen, bis das SCR-System
genug Zeit gehabt hat, das DEF/AdBlue aus dem System zu spülen.
Wird die entsprechende Zeit zur Reinigung der Leitungen nicht eingehalten,
kann das in den Leitungen verbleibende DEF/AdBlue kristallisieren
und zur Verstopfung der Leitungen führen. Bei Temperaturen unter
-15 °C (5 °F) friert nicht abgelassenes DEF/AdBlue
ein und beschädigt Systemkomponenten. Wenn der Traktor mit einem
Batterietrennsystem ausgerüstet ist, wird eine Leuchte neben
dem Trennsystem aufleuchten, während das automatische Spülen
durchgeführt wird. Diese erlischt, wenn der Vorgang abgeschlossen
ist und es sicher ist, die Batterie zu trennen. Wenn der Traktor nicht
mit einer Batterietrennvorrichtung ausgerüstet ist, nach dem
Anhalten des Traktors die Batterie mindestens 4 Minuten lang nicht
abklemmen.
WICHTIG: Ersatzsicherungen müssen die gleiche Stärke
wie die Originalsicherung haben. Sicherstellen, dass vor
Beginn der Inspektion oder des Austauschs von Sicherungen sowohl Minuskabel
(–) als auch Pluskabel (+) beider Batterien
abgeklemmt sind.
Der vordere Sicherungskasten (B) befindet
sich vorn an der Unterseite der Abdeckung (A). Nach Abschluss der
Wartung die Motorhaube schließen und sichern. Motorhaube öffnen.
Der vordere Sicherungskasten (B) befindet sich an der Unterseite des
Kühlers. Abdeckung (A) entfernen.

RXA0130343-UN-23JAN13
Entfernen der Abdeckung

RXA0130631-UN-23JAN13
Sicherungen

RXA0130342-UN-11JAN13
A - Abdeckung
B - Verkleidung Sicherungskasten vorne
C - F1 – ECU (20 A)(Nicht verwendet an Motoren
der Stufe II)
D - F2 – Motorsteuereinheit (20 A)
E - F3 – Motorsteuereinheit (20 A)
F - F4 – Dosierpumpe (15 A) (nicht verwendet
an Motoren der Stufe II)
G - F5 – Kraftstoffförderpumpe (15 A)
(nicht verwendet an Motoren der Stufe II)
H - F6 – Nicht verwendet
I - F7 – Zündschalter (10 A)
J - F8 – Lenksteuereinheit (15 A)
K - F9 – Vordere Hauptsteuereinheit 2 (falls
mit Frontkraftheber, Frontzapfwelle oder Mittelblock-ZSG ausgerüstet
– 25 A)
L - F10 – Vordere Hauptsteuereinheit 1 (falls
mit gefederter Vorderachse ausgerüstet – 10 A)
|
IVT ist eine Marke von Deere & Company
AutoPowr ist eine Marke von Deere & Company
1 Zubehörsicherung F11 ist an Europäischen
Traktoren entfernt. Einige Anhänger nutzen diesen Anschluss für
Nebelleuchten. Diese können durch Einsetzen einer 30-A-Sicherung
in F11 aktiviert werden.
|
RW29387,00005D1-29-20131001
|
|