Notfahrmodus

RXA0111059-UN-04APR11
Der Notfahrmodus wird verwendet, wenn der Traktor aufgrund eines
Ausfalls nicht mehr betriebsfähig ist und bewegt werden muss.
Für AutoQuad PLUS und PowrQuad PLUS-Getriebe: Im Notfahrmodus
ist der Traktor in jedem Bereich auf 1500 1/min und den ersten Gang
beschränkt.
Für CommandQuad™-Getriebe: Im Notfahrmodus ist der
Traktor auf 1500 1/min und 1. Gang in den Gruppen A, B und C beschränkt.
Für IVT/AutoPowr-Getriebe: Im Notfahrmodus ist der Traktor
auf eine Maximalgeschwindigkeit von 5 km/h (3.1 mph) begrenzt.
-
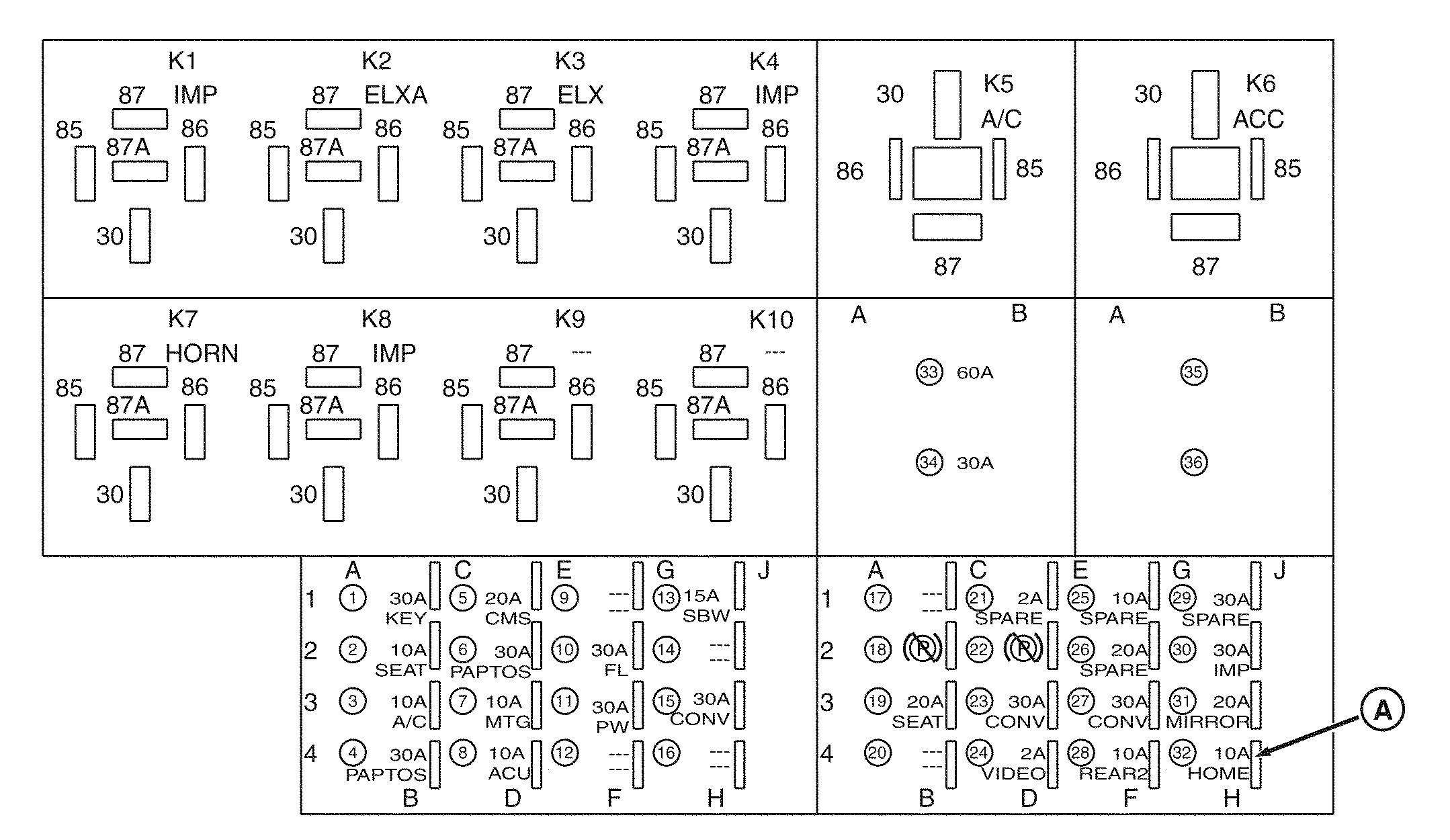
Sicherung 32 (A) entfernen und aufbewahren.
-
Den Motor anlassen.
-
Das Bremspedal kurz betätigen.
HINWEIS: Wenn Sicherung 32 (A) entfernt wird, wird Hydrauliköl
durch die Reservehydraulikpumpe geleitet, die Hydrauliköl für
Bremsen und Lenkung liefert. Der Traktor kann über eine kurze
Strecke mit niedriger Geschwindigkeit auf sichere Weise bewegt werden.
Wenn ein Gang eingelegt wird, wird die Reservehydraulikpumpe
eingeschaltet. Solange sich der Traktor in Neutralstellung befindet
und die Bremspedale oder die Lenkung in irgendeiner Weise betätigt
werden, wird die Reservehydraulikpumpe eingeschaltet und liefert nach
Bedarf Hydrauliköl.
Die eingeschränkte Funktion des Traktors nicht überschreiten,
wenn im Notfahrmodus gefahren wird.
-
Das Kupplungspedal durchtreten.
-
Die Vorwärts- oder Rückwärtsrichtung wählen
-
Das Kupplungspedal freigeben, um den Traktor in Bewegung zu
setzen
“Getriebe-Notfahrmodus aktiv” erscheint auf der CommandCenter-Anzeige, wenn der Notfahrmodus aktiv ist.
|
CommandCenter
ist ein Warenzeichen von Deere & Company
|
ZE59858,000088E-29-20110728
|
|