Tableau électrique avec fusibles
NOTE: Abaisser le dossier pour faciliter l'accès et permettre
à l'éclairage de la cabine d'éclairer le tableau
électrique central lorsque des fusibles doivent être
contrôlés ou remplacés.
Le tableau électrique central se trouve derrière
le fauteuil du conducteur, sous la vitre arrière de la cabine.
Pour y accéder, soulever le support du livret d'entretien (A)
du livret d'entretien.

RXA0109532-UN-18AUG10
Support du livret d'entretien
A - Support du livret d'entretien
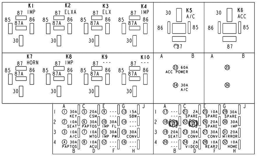
L'illustration de droite décrit comment
lire le schéma du tableau électrique central.

RXA0099396-UN-14OCT08
Tableau électrique - Légende
A - Numéro d'emplacement du fusible
B - Ampérage
IMPORTANT:

RXA0111003-UN-07JAN11
K1 - Relais de puissance de la prise pour équipements
ISO
K2 - Relais pour composant électronique (suivant
équipement)
K3 - Relais pour composant électronique (suivant
équipement)
K4 - Relais d'équipements d'équipement
K5 - Relais du contacteur de climatisation/soufflante
K6 - Relais pour équipements
K7 - Relais de l'avertisseur sonore
K8 - Relais du projecteur d'équipement
K9 - Non utilisé
K10 - Non utilisé
1 - Contacteur de démarrage (30 A)
2 - Contacteur du siège (10 A)
3 - Climatisation (10 A)
4 - PAPTOS (suivant équipement) (30 A)
5 - Module de contacteurs de cabine (20 A)
6 - PAPTOS (suivant équipement) (30 A)
7 - Passerelle télématique modulaire
(10 A)
8 - Contrôleur d'accoudoir (10 A)
9 - Non utilisé
10 - Projecteurs de l'équipement (30 A)
11 - Accessoire de l'équipement (30 A)
12 - Non utilisé
13 - Direction ActiveCommand (suivant équipement)
(15 A)
14 - Non utilisé
15 - Batterie de prise auxiliaire (30 A)
16 - Non utilisé
17 - Non utilisé
18 - Desserrage du frein de stationnement
19 - Commandes du siège (20 A)
20 - Non utilisé
21 - Rechange (2 A)
22 - Désengagement du frein de stationnement
23 - Batterie de prise auxiliaire (30 A)
24 - Alimentation de la caméra (suivant équipement)
(2 A)
25 - Rechange (10 A)
26 - Rechange (20 A)
27 - Alimentation commutée de prise auxiliaire
(30 A)
28 - Contrôleur du châssis arrière
(10 A)
29 - Rechange (30 A)
30 - Prise pour équipements ISO (30 A)
31 - Rétroviseur à réglage électrique
(20 A)
32 - Mode retour atelier (IVT /AutoPowr uniquement) (10 A)
33 - Alimentation des accessoires (60 A)
34 - Moteur de soufflante (30 A)
35 - Non utilisé
36 - Non utilisé
Les valeurs nominales d'un fusible de rechange doivent être
les mêmes que celles du fusible d'origine.S'assurer
que les bornes négatives (-) et positives (+) des deux batteries en sont déconnectées
avant de procéder à leur inspection et à leur
remplacement.
Ouvrir le capot pour localiser le tableau électrique
situé devant le tablier. Enlever le couvercle (A).

RXA0110994-UN-14OCT10
Dépose du couvercle

RXA0110996-UN-14OCT10
Fusibles

RXA0111380-UN-17DEC10
A - Cache
B - Tableau électrique avant
C - Non utilisé
D - Non utilisé
E - Non utilisé
F - Non utilisé
G - Non utilisé
H - Non utilisé
I - Contacteur de démarrage (10 A)
J - Contrôleur ACS (15 A)
K - Contrôleur du châssis avant 2 (20 A)
L - Contrôleur du châssis avant 1 (20 A)
M - Non utilisé
N - Non utilisé
O - Non utilisé
P - Non utilisé
Q - Non utilisé
R - Non utilisé
S - Non utilisé
T - ECU 1 (30 A)
U - Pompe de dosage du carburant (15 A)
V - Pompe d'alimentation en carburant (15 A)
|
IVT est une marque commerciale de Deere
& Company.
AutoPowr est
une marque commerciale de Deere & Company
|
ZE59858,0000553-28-20111205
|
|