Предохранители
нагрузочного центра
ПРИМЕЧАНИЕ: Спинку сиденья
можно сложить
назад, чтобы облегчить
доступ к предохранителям
нагрузочного центра.
Это позволит улучшить
освещение и облегчить
доступ для замены
предохранителей.
Нагрузочный центр
находится непосредственно
за сиденьем механика-водителя
и немного ниже
заднего окна кабины.
Для получения
доступа к нагрузочному
центру поднять
держатель (A) для
Руководства механика-водителя.

RXA0108495-UN-12JUL10
Держатель
для Руководства
механика-водителя
A - Держатель
для Руководства
механика-водителя
На рисунке
справа показано,
как следует интерпретировать
схему нагрузочного
центра.

RXA0099397-UN-24NOV08
Нагрузочный
центр — Условные
обозначения
A - Номер местоположения
предохранителей
B - Размер предохранителей
C - Использование/описание
предохранителя
ВАЖНО:

RXA0110955-UN-01JUN11
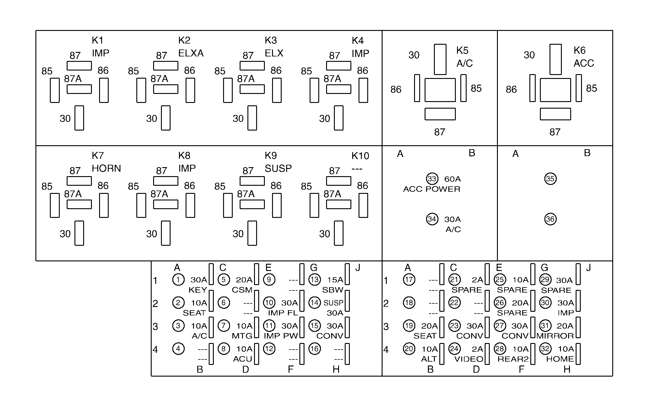
Расположение
реле и предохранителей
K1 - Реле питания
IBBC рабочего оборудования
K2 - Реле электроники
(при наличии)
K3 - Реле электроники
(при наличии)
K4 - Вспомогательное
реле рабочего
оборудования
K5 - Переключатель
вентилятора/переключатель
воздушного кондиционера
K6 - Реле вспомогательного
оборудования
K7 - Реле предупредительного
звукового сигнала
K8 - Реле прожектора
рабочего оборудования
K9 - Реле гусеничной
подвески (только
для гусеничных
тракторов)
K10 - Не используется
1 - Замок зажигания
(30 А)
2 - Переключатель
присутствия механика-водителя
(10 А)
3 - Воздушный
кондиционер (10 А)
4 - Не используется
5 - Кабинный переключательный
модуль (20 А)
6 - Не используется
7 - Модульный
телематический
шлюз (10 А)
8 - Блок управления
подлокотника (10 А)
9 - Не используется
10 - Прожекторы
рабочего оборудования
(30 А)
11 - Вспомогательное
реле рабочего
оборудования (30
А)
12 - Не используется
13 - Рулевое управление
(только для гусеничных
тракторов) (15 А)
14 - Гусеничная
подвеска (30 А)
15 - Розетка батарейного
электропитания
(30 А)
16 - Не используется
17 - Не используется
18 - Не используется
19 - Органы управления
сиденьем (20 А)
20 - Генератор
(только для двигателя
Stage II) (10 А)
21 - Зарезервировано
(2 А)
22 - Не используется
23 - Розетка батарейного
электропитания
(30 А)
24 - Питание видеокамеры
(при наличии) (2 А)
25 - Зарезервировано
(10 А)
26 - Зарезервировано
(20 А)
27 - Розетка отключаемого
питания (30 А)
28 - Контроллер
заднего шасси (10
А)
29 - Зарезервировано
(30 А)
30 - Разъем рабочего
оборудования ISO
(30 А)
31 - Дистанционное
управление зеркалом
(20 А)
32 - Режим возврата
в исходное положение
(10 А)
33 - Питание вспомогательного
оборудования (60
А)
34 - Двигатель
вентилятора (30 А)
35 - Не используется
36 - Не используется
Устанавливаемый
запасной предохранитель
должен быть того
же номинала, что
и оригинальный.До осмотра или
замены предохранителей
следует убедиться,
что отрицательный
(—) и положительный
(+) выводы батареи
отсоединены от обеих батарей.
Передний нагрузочный
центр расположен
на левой задней
стороне двигателя.
Поднять капот
и снять крышку
(A), чтобы обеспечить
доступ к предохранителям.

RXA0119416-UN-03AUG11

RXA0119417-UN-03AUG11

RXA0119418-UN-22AUG11
A - Крышка
B - Передняя панель
нагрузочного центра
C - Не используется
D - Не используется
E - Не используется
F - Не используется
G - Не используется
H - Не используется
I - Не используется
J - Не используется
K - Не используется
L - Не используется
M - Не используется
N - Не используется
O - Не используется
P - Блок управления
системой рулевого
управления
Q - Замок зажигания
R - ECU
S - Дозирующий
насос выхлопной
системы
T - Топливный перекачивающий
насос
U - Не используется
V - Не используется
ВАЖНО: Устанавливаемый
запасной предохранитель
должен быть того
же номинала, что
и оригинальный.
|
|
RW29387,00003C6-59-20110810
|
|