Load Center Fuses
NOTE: The seat backrest can be folded down to allow easier access
to the Load Center Fuses. It will improve lighting and allows easier
access for fuse replacement.
Load center is found directly behind the operator's seat and
just below the rear cab window. To access load center, lift on Operator's
Manual holder (A).

RXA0108495-UN-12JUL10
Operator's Manual Holder
A - Operator's Manual Holder
The illustration to the right explains how
to read the load center diagram.

RXA0099397-UN-24NOV08
Load Center — Legend
A - Fuse Location Number
B - Fuse Size
C - Fuse Use/Description
IMPORTANT:

RXA0110955-UN-01JUN11
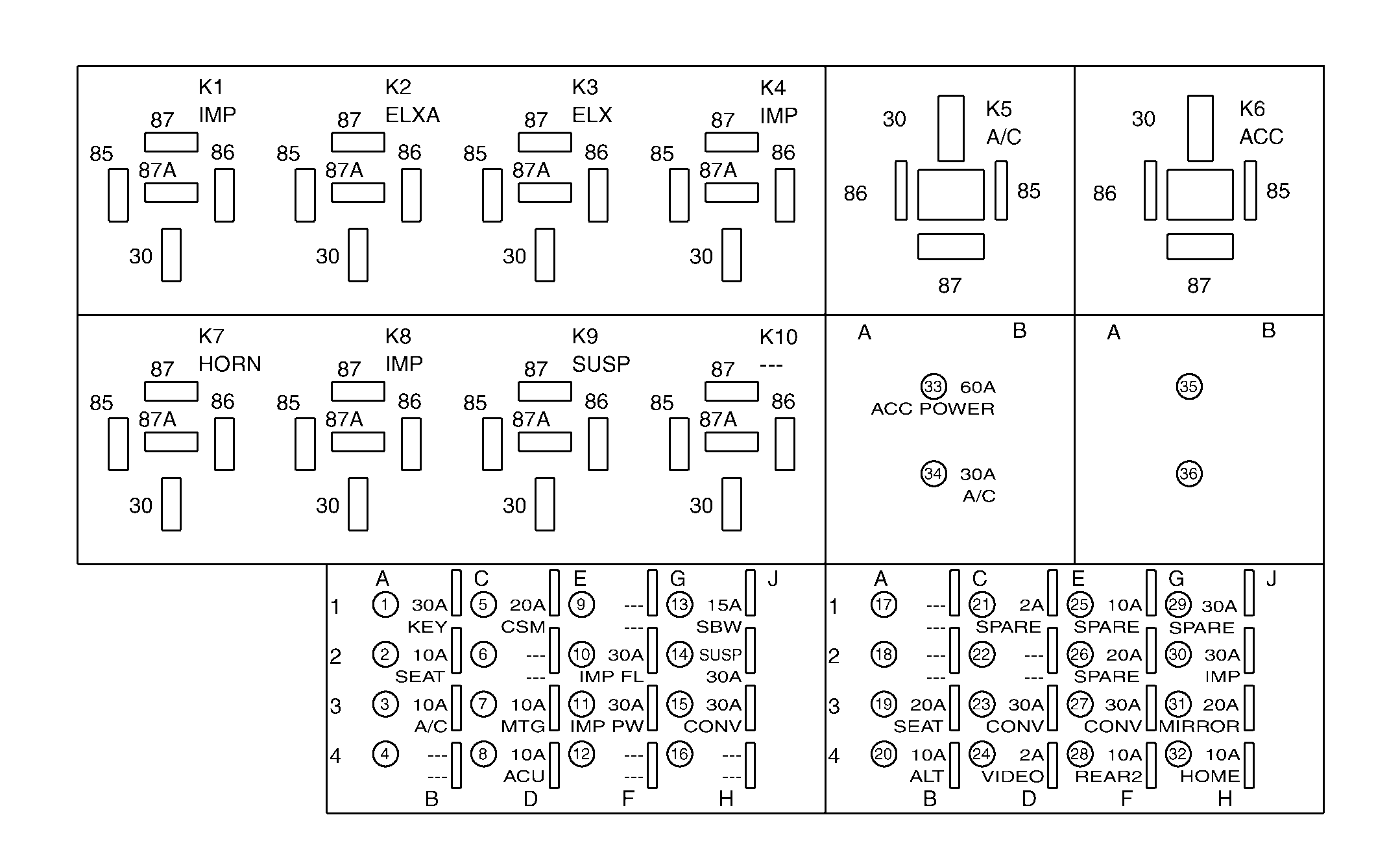
Relay and Fuse Locations
K1 - Implement IBBC Power Relay
K2 - Electronics Relay (If Equipped)
K3 - Electronics Relay (If Equipped)
K4 - Implement Accessory Relay
K5 - AC Switch/Blower Relay
K6 - Accessories Relay
K7 - Warning Horn Relay
K8 - Implement Flood Relay
K9 - Tracks Suspension Relay (Tracks Only)
K10 - Not Used
1 - Key Switch (30 Amp)
2 - Operator Presence Switch (10 Amp)
3 - Air Conditioner (10 Amp)
4 - Not Used
5 - Cab Switch Module (20 Amp)
6 - Not Used
7 - Module Telematics Gateway (10 Amp)
8 - Armrest Control Unit (10 Amp)
9 - Not Used
10 - Implement Flood Lights (30 Amp)
11 - Implement Accessory (30 Amp)
12 - Not Used
13 - Steering (Tracks Only) (15 Amp)
14 - Tracks Suspension (30 Amp)
15 - Convenience Outlet Battery (30 Amp)
16 - Not Used
17 - Not Used
18 - Not Used
19 - Seat Controls (20 Amp)
20 - Alternator (Stage II Engine Only) (10 Amp)
21 - Spare (2 Amp)
22 - Not Used
23 - Convenience Outlet Battery (30 Amp)
24 - Video Camera Power (If Equipped) (2 Amp)
25 - Spare (10 Amp)
26 - Spare (20 Amp)
27 - Convenience Outlet Switched (30 Amp)
28 - Rear Chassis Controller (10 Amp)
29 - Spare (30 Amp)
30 - ISO Implement Connector(30 Amp)
31 - Remote Mirror (20 Amp)
32 - Come Home Mode (10 Amp)
33 - Accessories Power (60 Amp)
34 - Blower Motor (30 Amp)
35 - Not Used
36 - Not Used
Fuse replacement must be the same rating as the original.Ensure both negative (—) and positive (+) battery connections
are disconnected from both batteries before
fuse inspection or replacement.
Front load center is located on left rear side of engine. Raise
hood and remove cover (A) to access fuses.

RXA0119416-UN-03AUG11

RXA0119417-UN-03AUG11

RXA0119418-UN-22AUG11
A - Cover
B - Front Load Center Panel
C - Not Used
D - Not Used
E - Not Used
F - Not Used
G - Not Used
H - Not Used
I - Not Used
J - Not Used
K - Not Used
L - Not Used
M - Not Used
N - Not Used
O - Not Used
P - Steering Control Unit
Q - Key Switch
R - ECU
S - Exhaust Dosing Pump (Interim Tier 4 and Stage IIIB
Engine Tractors Only)
T - Fuel Transfer Pump (Interim Tier 4 and Stage IIIB
Engine Tractors Only)
U - Not Used
V - Not Used
IMPORTANT: Fuse replacement must be same rating as original.
|
|
RW29387,00003C6-19-20121120
|
|