Load Center Fuses
NOTE: The seat backrest can be folded down to allow easier access
to the Load Center Fuses. It will improve lighting and allows easier
access for fuse replacement.
Load center is found directly behind the operator's seat and
just below the rear cab window. To access load center, lift on Operator's
Manual holder (A).

RXA0108495-UN-12JUL10
Operator's Manual Holder
A - Operator's Manual Holder
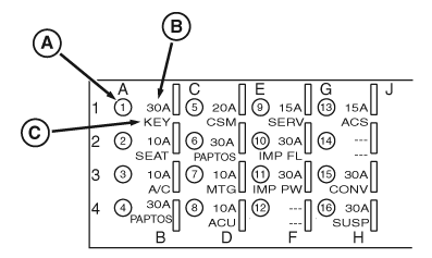
Diagram identifies load center fuse location,
size and description.

RXA0129611-UN-25JAN13
Load Center — Legend
A - Fuse Location Number
B - Fuse Size
C - Fuse Use/Description
IMPORTANT:

RXA0127389-UN-25JAN13
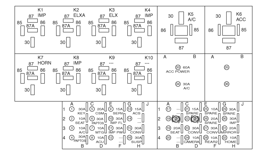
Relay and Fuse Locations
K1 - ISO Implement Connector Power Relay
K2 - Electronics Relay
K3 - Electronics Relay
K4 - Implement Accessory Relay
K5 - Blower Relay
K6 - Accessories Relay
K7 - Warning Horn Relay
K8 - Implement Flood Relay
K9 - Not Used
K10 - Not Used
1 - Key Switch (30 Amp)
2 - Operator Presence Switch (10 Amp)
3 - Air Conditioner (10 Amp)
4 - Not Used
5 - Radio, Primary Display and Interior Lights (20
Amp)
6 - Not Used
7 - Modular Telematics Gateway (10 Amp)
8 - Armrest Control Unit (10 Amp)
9 - Server (15 Amp)
10 - Implement Flood Lights (30 Amp)
11 - Implement Accessory (30 Amp)
12 - Not Used
13 - Steering Controller (15 Amp)
14 - Not Used
15 - Convenience Outlet Battery (30 Amp)
16 - Tracks Suspension (Tracks Only) (30 Amp)
17 - Not Used
18 - Park Brake Release
19 - Seat Controls (20 Amp)
20 - Not Used
21 - Spare (15 Amp)
22 - Park Brake Release
23 - Convenience Outlet Switched (30 Amp)
24 - Video Camera Power and Armrest Outlet (10 Amp)
25 - Spare (10 Amp)
26 - Spare (20 Amp)
27 - Convenience Outlet Switched (30 Amp)
28 - Rear Chassis Control Unit (10 Amp)
29 - Spare (30 Amp)
30 - ISO Implement Connector (30 Amp)
31 - Remote Mirror (20 Amp)
32 - Come Home Mode (10 Amp)
33 - Accessories Power (60 Amp)
34 - Blower Motor (30 Amp)
35 - Not Used
36 - Not Used
Fuse replacement must be the same rating as the original.
Ensure key is in OFF position before removing
or replacing fuse.
Load center is located in battery compartment. Open battery
compartment cover.
Tractor Load Center
for with 9.0 L (9370R) or 13.5 L (9420R, 9470R, 9520R or 9570R) Engines

RXA0142041-UN-04JUN14
Load Center Cover

RXA0142042-UN-04JUN14
Load Center Panel

RXA0130342-UN-11JAN13
Fuses
A - Load Center Cover
B - Load Center Fuse Panel
C - F1 - ECU (20 Amp) (Not Used For Stage II)
D - F2 - ECU (20 Amp)
E - F3 - ECU (20 Amp)
F - F4 - Dosing Pump (15 Amp) (Not Used For Stage II)
G - F5 - Fuel Transfer Pump (15 Amp) (Not Used For
Stage II)
H - F6 - Not Used
I - F7 - Key Switch (10 Amp)
J - F8 - ActiveCommand Steering
(ACS) Control Unit (If ACS™
Equipped) or AutoTrac Control Unit (If AutoTrac™ Equipped) (15 Amp)
K - F9 - Front Chassis Control Unit 2 (25 Amp)
L - F10 - Front Chassis Control Unit 1 (HydraCushion Suspension-If
Equipped) (10 Amp)
IMPORTANT: Replacement fuse must be same rating as original.
Ensure key is turned to OFF position before replacing any fuses.
Tractor Load Center for 15.0 L Engine

RXA0142041-UN-04JUN14
Load Center Cover

RXA0142042-UN-04JUN14
Load Center Panel

RXA0130342-UN-11JAN13
Fuses
A - Cover
B - Load Center Panel
C - F1 - ECU (20 Amp)
D - F2 - Not Used
E - F3 - DEF Heaters (20 Amp)
F - F4 - After Treatment
G - F5 - DEF Supply Pump (15 Amp)
H - F6 - A/C Commpressor
I - F7 - Key Switch (10 Amp)
J - F8 - Steering System, AutoTrac Control Unit (If
Equipped with AutoTrac) (10 Amp)
K - F9 - Not Used
L - F10 - Not Used
IMPORTANT: Fuse replacement must be same rating as original.

RXA0142548-UN-17JUN14
KEXX Cover

RXA0142549-UN-16JUN14
Kexx Fuses and Relays
A - Cap Screws (4 used)
B - Cover
C - A/C Compressor Clutch Relay
D - Line Heater Relay (PRESSURE)
E - Aftertreatment Relay
F - Alternator
G - DEF Supply Relay
H - Line Heater Relay (RETURN)
I - Line Heater Relay (SUCTION)
J - ECU
|
ActiveCommand Steering is a trademark of Deere
& Company
AutoTrac is a trademark of Deere & Company
HydraCushion
is a trademark of Deere & Company
|
TO84419,00001D8-19-20140730
|
|