Releasing Park Brake Electrically
Tractors Equipped With Backup Pump

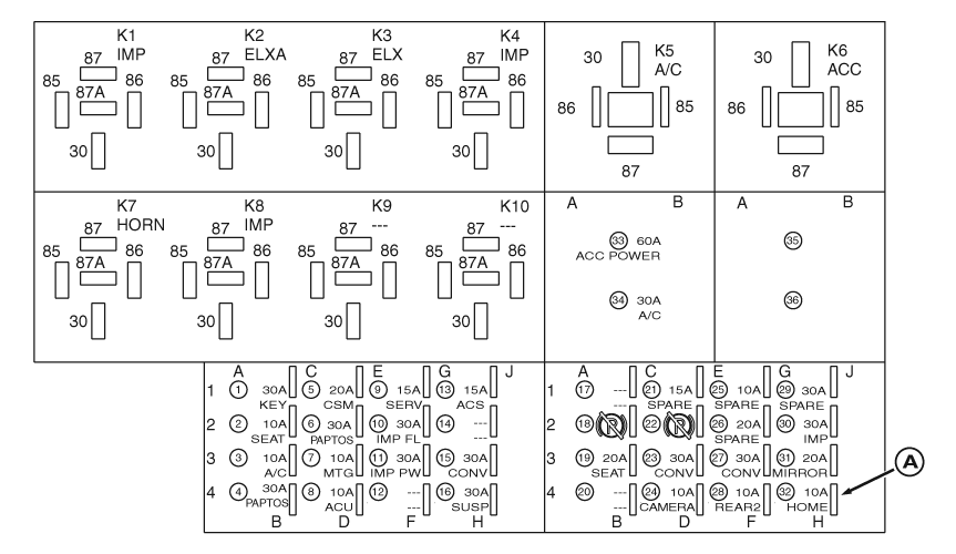
RXA0129610-UN-25JAN13
Remove # 32 Fuse And Retain
A - # 32 Fuse
NOTE: If tractor must be moved immediately, pulling tractor a short distance while tractor is in PARK will
not damage brake system.
Before tractor can be towed, park brake must be released, if
possible.
Activating backup mode allows tractor to be operated at a maximum
of 8 km/h (5 mph) in forward position and 3 km/h (1.8 mph) in reverse.
If tractor loses electrical power, park brake can re-engage.
If tractor has no electrical power, a 100 Amp electrical source must
be connected. See Using a Battery Booster Or Charger in Operating
the Engine Section of this Operator's Manual.
NOTE: Removing # 32 fuse (A) diverts hydraulic oil through backup
pump which supplies hydraulic oil to brakes and steering. Tractor
can safely be moved short distances at lower speeds. Fold seat backrest down to allow easier access and allow cab lighting
to shine on load center when fuses are being inspected, replaced,
or removed.
-
Remove fuse # 32 (A) and retain.
-
Turn key switch to RUN position.
NOTE: When tractor is placed in neutral, operator will hear
backup pump start. As long as tractor is in Neutral any movement of
brake pedals or steering wheel will engage backup pump to supply hydraulic
oil as needed.
-
Place tractor in Neutral.
NOTE: When tractor is in park, P is displayed on corner post
display. When placed in Neutral, corner post display will show “N”,
tractor is ready to tow.
-
Verify transmission is in Neutral by looking at corner post
display.
NOTE: If after placing tractor in Neutral, corner post display
still displays “P”, contact your John Deere™ dealer
for assistance.
-
Steering and braking are supplied by backup pump.
-
When destination is reached, put transmission shift lever in
PARK position.
-
Turn key switch to OFF position.
-
Replace removed fuse # 32 to original location.
Tractors Equipped Without Backup Pump

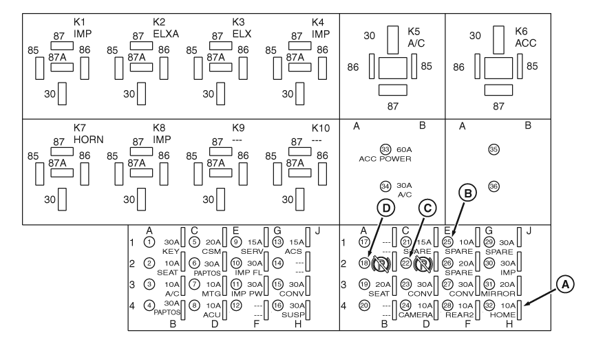
RXA0130661-UN-25JAN13
Fuse Panel

RXA0130662-UN-18FEB13
Front Load Center
A - Fuse # 32
B - Fuse # 25
C - Fuse # 22
D - Fuse # 18
E - Front Load Center Fuse F3
NOTE: If tractor must be moved immediately, pulling tractor a short distance while tractor is in PARK will
not damage brake system. If following procedure fails,
park brake can be manually pumped off with an external power source.
See your John Deere dealer for required Park Brake Release Hand Pump Kit components.
Before tractor can be towed, park brake must be released, if
possible.
If tractor looses electrical power, park brake may re-engage.
If tractor has no electrical power, a 100 Amp electrical source must
be connected. See Using a Battery Booster Or Charger in Operating
the Engine section of this Operator's Manual.
Tractors not equipped with a backup pump must complete following
procedure to release park brake.
-
Remove Fuse #32 (A) and place it in Fuse #22 (C).
-
Remove Fuse #25 (B) and place it in Fuse #18 (D).
-
Remove Fuse F3 (E) on the front load center. Raise hood to access
load center in front of the radiator.
This allows engine to be cranked over without starting. Cranking
engine over allows hydraulic oil pressure to rise, releasing the park
brake.
-
NOTE: If after placing tractor in Neutral, corner post display
still displays “P”, contact your John Deere™ dealer
for assistance.
Verify that transmission is in Neutral by looking at corner
post display. When placed in Neutral, corner post display shows “N”.
-
Manual operation of brakes and steering still functions, but
extra force is required to operate these systems.
-
When destination is reached, put transmission shift lever in
PARK position.
-
Turn key switch to OFF position.
-
Replace removed panel fuses and load center fuse to original
respective locations.
|
John Deere is a trademark of Deere & Company
|
RW29387,00005E5-19-20140808
|
|