Adjust Steering Wheel and Column

RXA0126757-UN-10OCT12
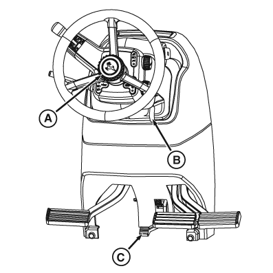
A - Steering Wheel Telescope Release Knob
B - Steering Wheel Tilt Release Lever
C - Steering Column Tilt Release Lever
Steering wheel can be adjusted in or out, up or down to provide
comfortable driving position. For improved entry or egress, entire
steering column can be pivoted up, then returned to previously set
position with single control.
Telescope: Rotate steering wheel telescope
release knob (A) counterclockwise. Extend or retract steering wheel
to desired position. Rotate knob clockwise to lock.
Tilt: Pull up on steering wheel tilt
release lever (B) and move steering wheel to desired position. Release
lever to lock.
Memory: Push down on steering column
tilt release lever (C). Fully raise steering column. Release lever
to latch column at top of travel.
Push down on steering column tilt release lever, latch releases.
Lower steering column to previous tilt setting.
|
|
TO84419,00000A2-19-20140801
|
|