Load Center Fuses
NOTE: Fold seat backrest down to allow easier access, and allow
cab lighting to shine on load center when fuses are being inspected
or replaced.
Load center fuse panel (B) is found directly behind operator's
seat and just below cab rear window. To access load center, lift up
on Operator's Manual holder (A).

RXA0135034-UN-14AUG13
Operator's Manual Holder

RXA0135035-UN-14AUG13
Load Center Fuse Panel
A - Operator's Manual Holder
B - Load Center Fuse Panel
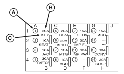
Diagram identifies load center fuse location,
size and description.

RXA0129611-UN-25JAN13
Load Center — Legend
A - Fuse Location Number
B - Fuse Size
C - Fuse Use/Description
IMPORTANT:

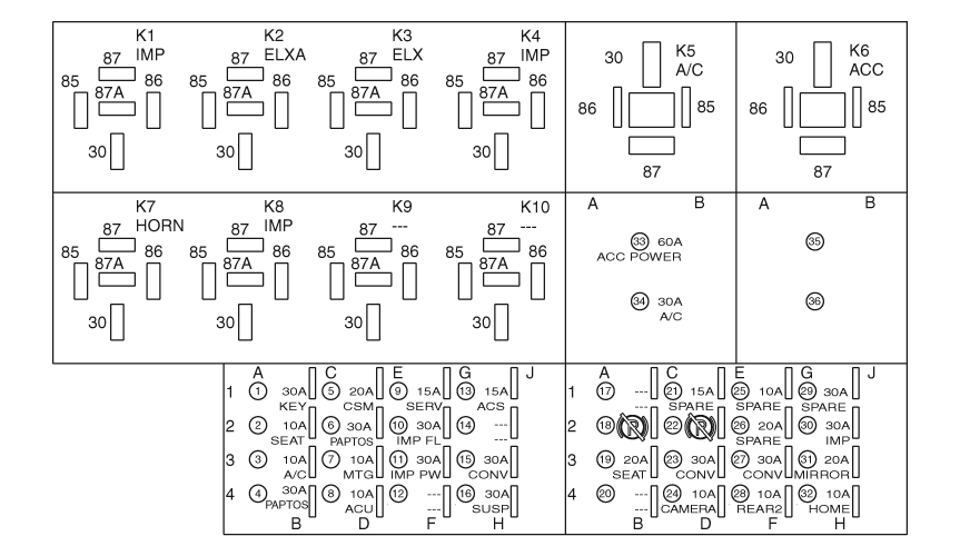
RXA0127389-UN-25JAN13
K1 - ISO Implement Connector Power Relay
K2 - Electronics Relay
K3 - Electronics Relay
K4 - Implement Accessory Relay
K5 - Blower Relay
K6 - Accessories Relay
K7 - Warning Horn Relay
K8 - Implement Flood Relay
K9 - Not Used
K10 - Not Used
1 - Key Switch (30 Amp)
2 - Operator Presence Switch (10 Amp)
3 - Air Conditioner (10 Amp)
4 - PAPTOS (If Equipped)(30 Amp)
5 - Radio, Primary Display and Interior Lights (20
Amp)
6 - PAPTOS (If Equipped)(30 Amp)
7 - Modular Telematics Gateway (10 Amp)
8 - Armrest Control Unit (10 Amp)
9 - Server (15 Amp)
10 - Implement Flood Lights (30 Amp)
11 - Implement Accessory (30 Amp)
12 - Not Used
13 - ActiveCommand Steering (ACS) (If Equipped) (15 Amp)
14 - Not Used
15 - Convenience Outlet Battery (30 Amp)
16 - Not Used
17 - Not Used
18 - Park Brake Release
19 - Seat Controls (20 Amp)
20 - Not Used
21 - Spare (15 Amp)
22 - Park Brake Release
23 - Convenience Outlet Switched (30 Amp)
24 - Video Camera Power and Armrest Outlet (10 Amp)
25 - Spare (10 Amp)
26 - Spare (20 Amp)
27 - Convenience Outlet Switched (30 Amp)
28 - Rear Chassis Control Unit (10 Amp)
29 - Spare (30 Amp)
30 - ISO Implement Connector (30 Amp)
31 - Remote Mirror (20 Amp)
32 - Come Home Mode IVT/AutoPowr (Only)(10 Amp)
33 - Accessories Power (60 Amp)
34 - Blower Motor (30 Amp)
35 - Not Used
36 - Not Used
(Final Tier 4 and Stage IV Engines only. To determine which
engine your tractor is equipped with, see Record Engine Serial Number
in Identification Numbers section of this Operator's Manual.) Do not
disconnect battery until Selective Catalyst Reduction (SCR) system
has had enough time to automatically purge system of Diesel Exhaust
Fluid (DEF) . If adequate time is not allowed for system to be purged,
any DEF remaining can crystallize and plug system. At temperatures
below -15°C (5°F), unpurged DEF will freeze and damage system
components. If equipped with a battery disconnect system, a light
next to the disconnect system is illuminated while auto-purge is in
progress. It shuts off when complete and safe to disconnect the battery. If tractor is not equipped with battery disconnect switch, wait
at least 4 minutes after tractor stops before disconnecting battery.
IMPORTANT: Replacement fuses must be the same rating as original.
Ensure key is in OFF position.
Open hood. Front load center (B) is at front bottom of radiator.
Remove cover (A).

RXA0143403-UN-09JUL14
Remove Cover

RXA0143404-UN-09JUL14
Fuses

RXA0130342-UN-11JAN13
A - Cover
B - Front Load Center Panel
C - F1 - ECU (20 Amp)
D - F2 - ECU (20 Amp)
E - F3 - ECU (20 Amp)
F - F4 - Not Used
G - F5 - Fuel Transfer Pump (15 Amp)
H - F6 - Not Used
I - F7 - Key Switch (10 Amp)
J - F8 - Steering Control Unit (15 Amp)
K - F9 - Front Chassis Control Unit 2 (If Equipped
with Front Hitch, Front PTO or Mid-Stack SCV-25 Amp)
L - F10 - Front Chassis Control Unit 1 (If Equipped
with Suspended Front Axle-10 Amp)
|
ActiveCommand
Steering is a trademark of Deere & Company
IVT is a trademark of Deere & Company
AutoPowr is a trademark of Deere & Company
|
TO84419,0000224-19-20140729
|
|