Come-Home Mode

RXA0129610-UN-25JAN13
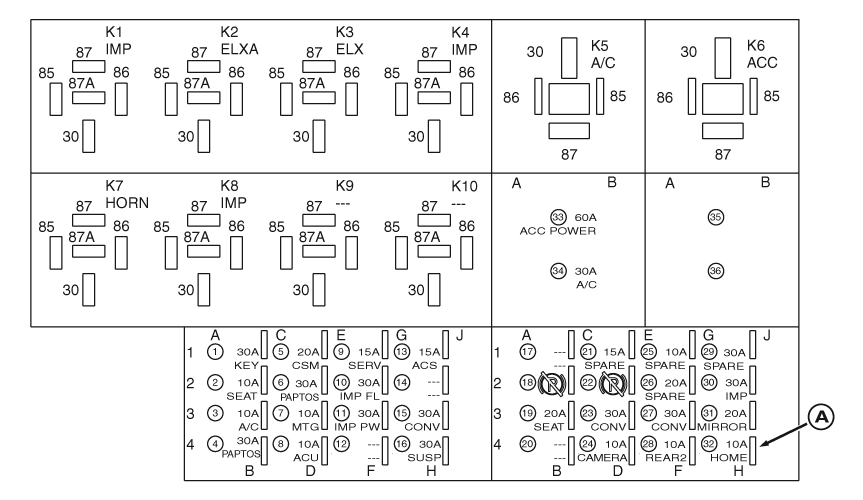
A - Fuse #32
CAUTION: When driving tractor in come-home mode, do not exceed
tractor limited capability.
Come-home mode may be used if tractor becomes inoperable due
to failures and must be moved. While in come-home mode, engine speed
is limited to 1500 rpm and first gear in any range.
-
Remove fuse #32 (A) and retain.
-
Turn key switch to START position.
-
Enable backup steering. Go to diagnostic addresses. See Diagnostic
Center in CommandCenter section of this Operator’s Manual.
-
Select correct controller:
-
XSB – tractor equipped with ACS (ActiveCommand Steering).
-
XSC – tractor equipped with AutoTrac.
-
Go to address 025 and select Back Up Mode On.
-
Press Accept.
-
Step on brake pedal momentarily.
CAUTION: Before operating tractor verify correct operation of
steering and brakes. In some situations braking may require additional
force due to lower hydraulic pressure.
-
Depress clutch pedal.
-
Select Forward or Reverse direction.
-
Release clutch pedal to put tractor in motion.
-
When destination is reached, cycle key switch ON and OFF to
return to Back Up Mode Off setting.
-
Replace fuse #32.
|
CommandCenter is a trademark of Deere & Company
ACS is a trademark of Deere & Company
AutoTrac is a trademark of Deere
& Company
|
KT81203,000010A-19-20140805
|
|