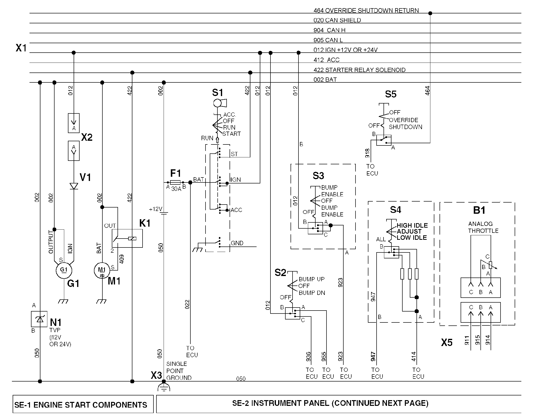
Engine Wiring Diagram (With Later Full-Featured Electronic Instrument
Panel)

RG13354-UN-22JAN04
B1 - Analog Throttle
F1 - Fuse (30 Amp) (Harness)
G1 - Alternator
K1 - Starter Relay
M1 - Starter Motor
N1 - Transient Voltage Protector
P1 - Optional Gauge
P2 - Optional Gauge
P3 - Oil Pressure Gauge
P4 - Coolant Temperature Gauge
P5 - Tachometer Display
P6 - Hour Meter/Diagnostic Gauge
S1 - Ignition Key Switch
S2 - Speed Select Switch (Momentary)
S3 - Bump Enable Switch (Momentary)
S4 - High-Low Speed Select Switch
S5 - Override Shutdown Switch (Momentary)
V1 - Diode
X1 - Vehicle Harness Connector
X2 - Alternator Harness Connector
X3 - Single Point Ground
X4 - CAN Terminator
X5 - Analog Throttle Connector
|
|
OURGP11,0000271-19-20060727
|
|