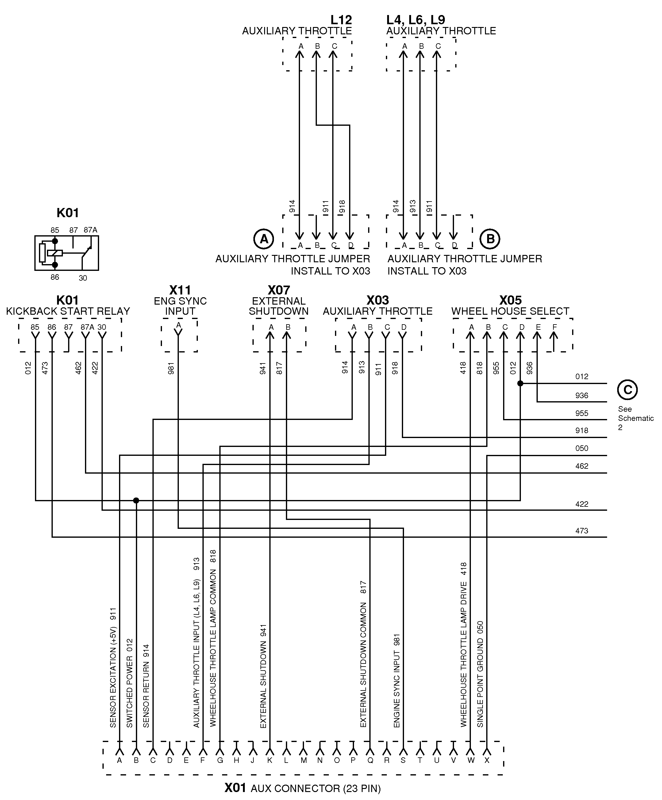
Transition Harness Wiring Diagram

RG21119-UN-07DEC11
Diagram 1 of 2
L12 - Auxiliary Throttle
L4, L6, L9 - Auxiliary Throttle
Circled A - Auxiliary Throttle Jumper - Install to
X03
Circled B - Auxiliary Throttle Jumper - Install to
X03
K01 - Kickback Start Relay
X11 - Engine Sync Input
X07 - External Shutdown
X03 - Auxiliary Throttle
X05 - Wheelhouse Select
Circled C - See Diagram 2
X01 - Aux Connector (23 Pin)
911 - Sensor Excitation (+5 volts)
012 - Switched Power
914 - Sensor Return
913 - Auxiliary Throttle Input (L4, L6, L9)
818 - Wheelhouse Throttle Lamp - Common
941 - External Shutdown
817 - External Shutdown Common
981 - Engine Sync Input
418 - Wheelhouse Throttle Lamp Drive
050 - Single Point Ground
936 - Engine Sync Enable
955 - Wheelhouse Throttle Transfer Switch Input
918 - Auxiliary Throttle Input
422 - Starter Relay Solenoid
473 - Starter Kickback Relay Drive

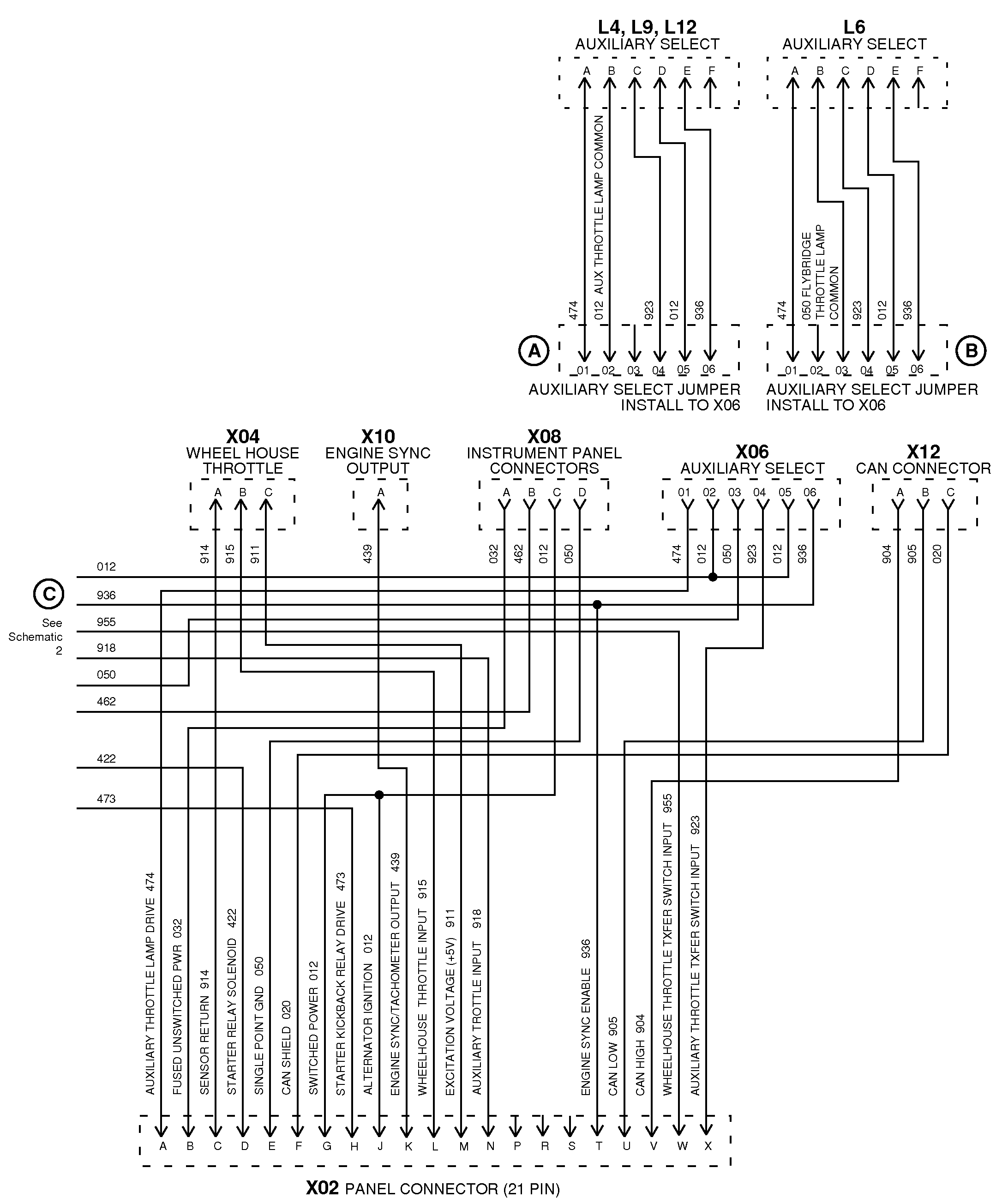
RG21125-UN-07DEC11
Diagram 2 of 2
L4, L9, L12 - Auxiliary Select
L6 - Auxiliary Select
Circled A - Auxiliary Select Jumper Install to X06
Circled B - Auxiliary Select Jumper Install to X06
X04 - Wheelhouse Throttle
X10 - Engine Sync Output
X08 - Instrument Panel Connectors
X06 - Auxiliary Select
X12 - CAN Connector
Circled C - See Diagram 1
X02 - Panel Connector (21 Pin)
474 - Auxiliary Throttle lamp Drive
032 - Fused Unswitched Power
914 - Sensor Return
422 - Starter Relay Solenoid
050 - Single Point Ground
020 - CAN Shield
012 - Switched Power
473 - Starter Kickback Relay Drive
012 - Alternator Ignition
439 - Engine Sync/Tachometer Output
915 - Wheelhouse Throttle Input
911 - Excitation Voltage (+5 volts)
918 - Auxiliary Throttle Input
936 - Engine Sync Enable
905 - CAN Low
904 - CAN High
955 - Wheelhouse Throttle Transfer Switch Input
923 - Auxiliary Throttle Transfer Switch Input
012 (Inside Circled A) - Auxiliary Throttle Lamp Common
050 (Inside Circled B) - Flybridge Throttle Lamp Common
|
|
JR74534,000045E-19-20111212
|
|