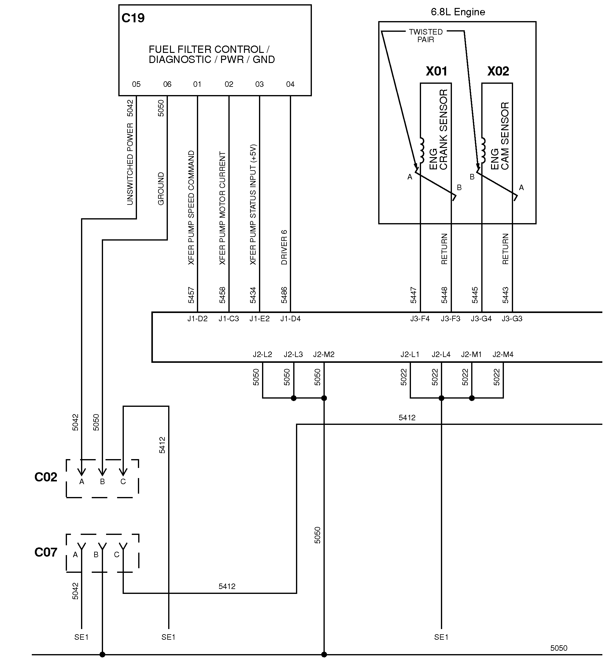
6068SFM75 / AFM75 Marine Electronic Control System Wiring Diagram

RG15474A-UN-27JAN11
C19 - Fuel Filter Control/ Diagnostic/Pwr/Gnd
X01 - Engine Crank Sensor
X02 - Engine Cam Sensor
5042 - Unswitched Power
5050 - Ground
5434 - Xfer Pump Status Input (+5V)
5443 - Return
5448 - Return
5457 - Xfer Pump Speed Command
5458 - Xfer Pump Motor Current
5486 - Driver 6
|
|
OUOD006,00000B3-19-20110127
|
|