Wiring Diagram for John Deere Main Station (Wheel House) Instrument
Panel - Electronically Controlled Engine - Cont'd

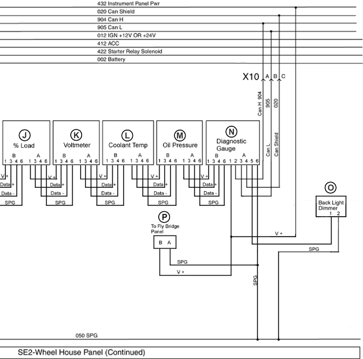
RG15470-UN-04SEP07
A - Vehicle Harness Connector
B - Key Switch
C - Start Button- Momentary
D - To Fly Bridge Panel
E - In Absence of Fly Bridge Panel
F - Extension to Fly Bridge Panel
G - Audible Alarm
G1 - Alternator
H - External Alarm
I - Tachometer
J - % Load
K - Voltmeter
KST - Starter Relay
L - Coolant Temp
M - Oil Pressure
M1 - Start Motor
N - Diagnostic Gauge
N1 - Transient Voltage Protection
O - Back Light Dimmer
P - To Fly Bridge Panel
X7 - Alternator Harness Connector
X9 - Single Point Ground
X10 - CAN Terminator
002 - Battery
012 - IGN +12V or +24V
020 - CAN Shield
412 - ACC
422 - Starter Relay Solenoid
432 - Instrument Panel Power
904 - Can H
905 - Can L
|
|
OUOD006,00000BD-19-20070927
|
|