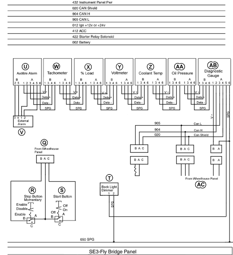
Wiring Diagram for John Deere Optional Fly Bridge Instrument
Panel - Electronically Controlled Engine

RG15471-UN-04SEP07
Q - From Wheelhouse Panel
R - Stop Button- Momentary
S - Start Button- Momentary
T - Back Light Dimmer
U - Audible Alarm
V - External Alarm
W - Tachometer
X - % Load
Y - Voltmeter
Z - Coolant Temp
AA - Oil Pressure
AB - Diagnostic Gauge
AC - From Wheelhouse Panel
002 - Battery
012 - IGN +12V or +24V
020 - CAN Shield
412 - ACC
422 - Starter Relay Solenoid
432 - Instrument Panel Power
904 - Can H
905 - Can L
|
|
OUOD006,00000BE-19-20070725
|
|