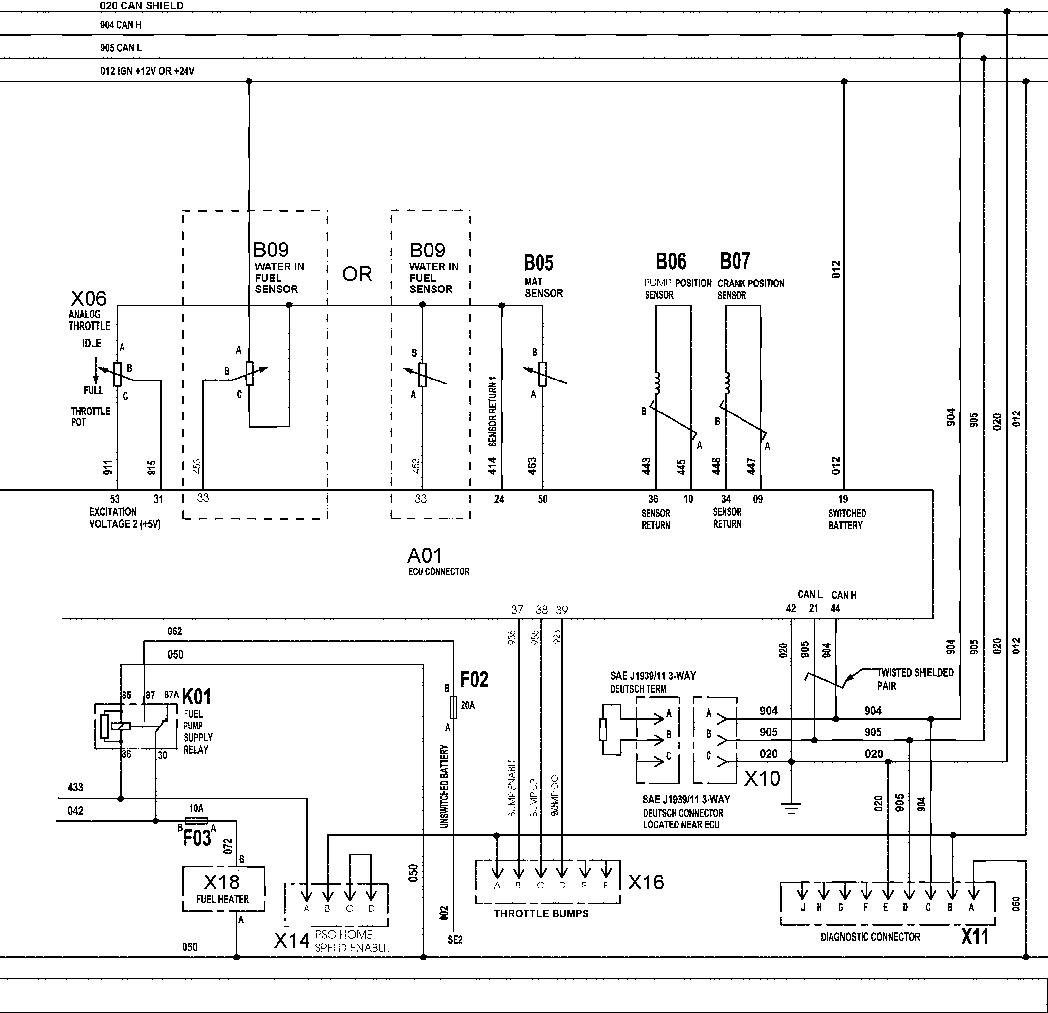
6068TFM75 and 6068SFM50 Marine Electronic Control System Wiring
Diagram - Cont'd

RG13348-UN-03DEC03
A01 - ECU Connector
B02 - Oil Pressure Sensor
B03 - Fuel Pressure Sensor
B04 - Engine Coolant Temp Sensor
B05 - MAT Sensor
B06 - Pump Position Sensor
B07 - Crank Position Sensor
B08 - Loss of Coolant Sw
B09 - Water in Fuel Sensor
F02 - Fuse (20 Amp)
F03 - Fuse (10 Amp)
K01 - Fuel Pump Supply Relay
K03 - Air Heater Control Relay
K04 - Air Heater Relay
X05 - Secondary Analog Throttle
X06 - Analog Throttle
X07 - Performance Program Connector (PPC)
X08 - Ring Terminal
X09 - VP44 Rotary Pump
X10 - Deutsch Connector (Near ECU)
X11 - Diagnostic Connector
X13 - External Shutdown
X14 - PSG Home Speed Enable
X15 - Home Speed Select
X16 - Throttle Bumps
X18 - Fuel Heater
010 - Pump CAN Shield
012 - IGN +12V or +24V
020 - CAN Shield
022 - Unswitched Battery
042 - PSG Power
050 - Ground
414 - Sensor Return 1
415 - Air Heater Diagnostic
418 - Home Speed
427 - Starter Kickback
433 - PSG Enable
459 - Crank Speed Out
471 - Fuel Shutoff
504 - Pump CAN H
505 - Pump CAN L
904 - CAN H
905 - CAN L
923 - Bump Do
925 - Low Idle Droop
936 - Bump Enable
937 - Isoc. Gov
938 - Spare
955 - Bump Up
|
|
OUOD006,00000FB-19-20100222
|
|