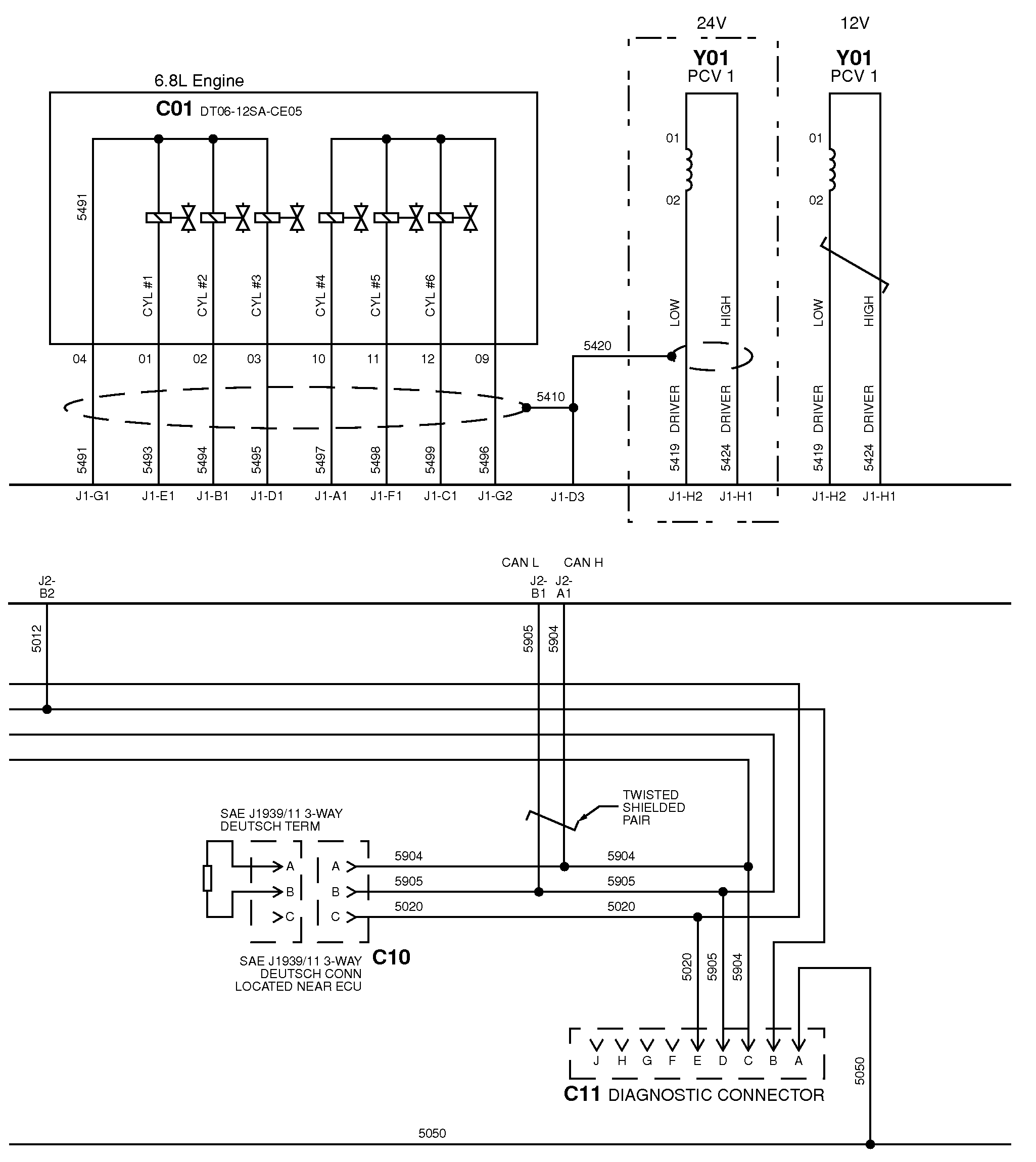
6068SFM75 / AFM75 Marine Electronic Control System Wiring Diagram
- Continued

RG15322A-UN-27JAN11
5012 - IGN
5020 - CAN Shield
5032 - Fused Unswitched Power
5050 - Ground
5412 - ACC
5422 - Start
5439 - Tachometer
5474 - Wait to Start
5616 - Excitation Voltage (+5V)
5714 - Sensor Return/Override Shutdown Return
5814 - Sensor Return
5904 - CAN High
5905 - CAN Low
5915 - Analog Throttle
5916 - Warning Lamp
5918 - Override Shutdown
5923 - Bump Enable
5936 - Resume Coast/Bump Down
5947 - Throttle Switch
5955 - Set Accel/Bump Up

RG15323A-UN-27JAN11
C10 - Deutsch Conn. Located Near ECU
C11 - Diagnostic Connector
5419 - Driver Low
5424 - Driver High
|
|
OUOD006,0000110-19-20110128
|
|