Aceite para motor diésel — Tier 3 y fase IIIA

TS1743-UN-25APR19
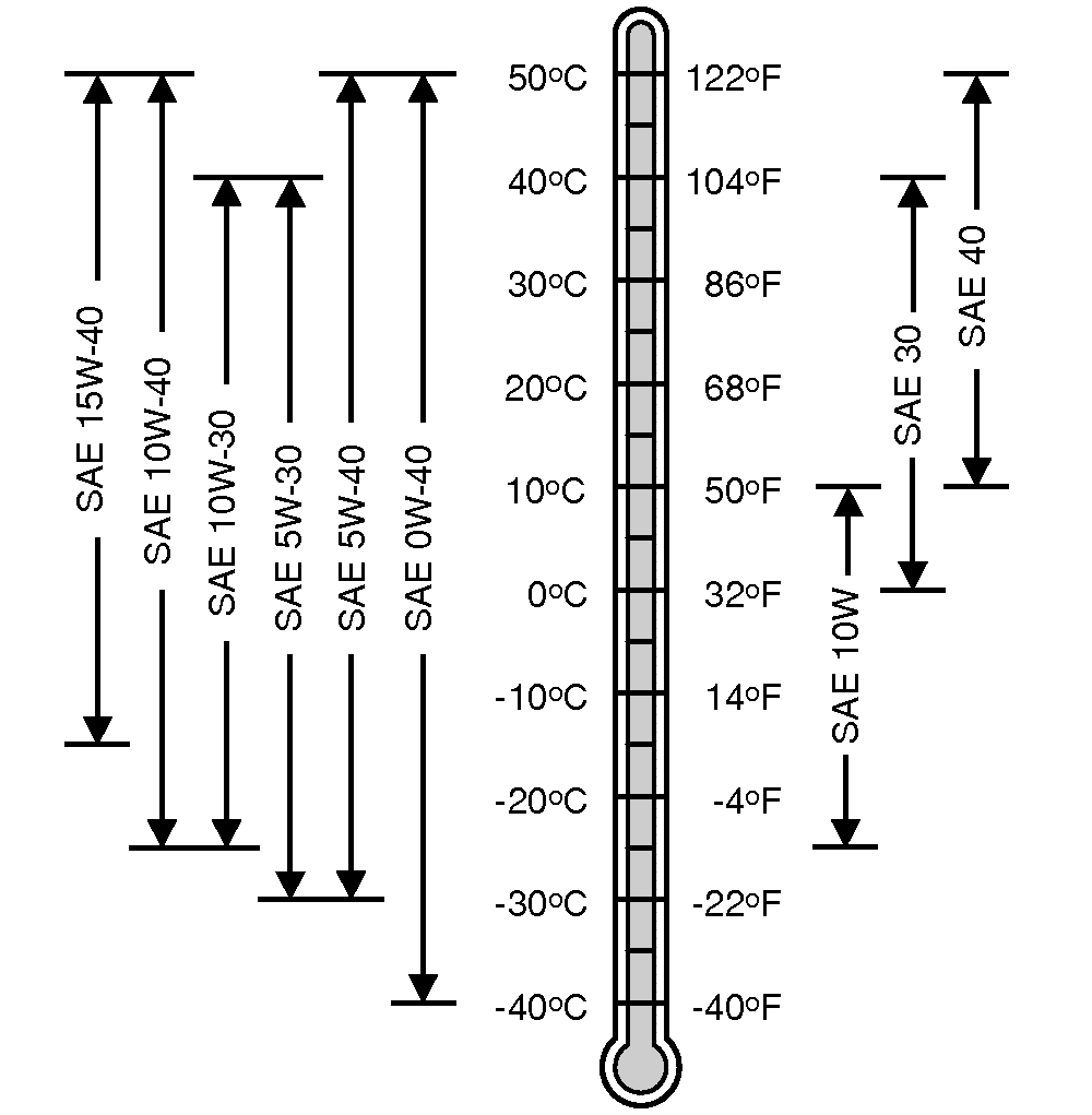
Viscosidades de aceite para rangos de temperatura
del aire
Si no se utilizan los aceites que cumplan los estándares
ni se aplican los intervalos de vaciado de aceite, se pueden ocasionar
graves daños al motor que podrían no estar cubiertos
por la garantía. Las garantías, incluyendo la garantía
del sistema de emisiones, no están sujetas al uso de aceites,
piezas o servicio John Deere.
Elegir el tipo de aceite con la viscosidad adecuada en función
de las temperaturas que pueden alcanzarse hasta el siguiente cambio
de aceite.
Se prefiere el aceite de motor John Deere Plus-50 II.
También se recomienda John Deere Plus-50™.
También se permite el aceite John Deere Torq-Gard.
Se pueden utilizar otros aceites que cumplan una o más
de las siguientes normas:
-
Categoría de servicio API CK-4
-
Categoría de servicio API CJ-4
-
Categoría de servicio API CI-4 Plus
-
Categoría de servicio API CI-4
-
Secuencia E9 de aceite ACEA
-
Secuencia E7 de aceite ACEA
-
Secuencia E6 de aceite ACEA
-
Secuencia E5 de aceite ACEA
-
Secuencia E4 de aceite ACEA
Se prefieren los aceites de viscosidad multigrado
para motores diésel.
La calidad del combustible diésel y su contenido de
azufre deberán cumplir con todos los reglamentos de emisiones
existentes en la zona en la que se utilice el motor.
NO utilizar combustible diésel con un contenido de azufre
superior a 10.000 mg/kg (10 000 ppm).
|
Plus-50 es una
marca comercial de Deere & Company
Torq-Gard es
una marca comercial de Deere & Company
|
DX,ENOIL11-63-20190423
|
|