Monitor Display Unit—Menu Function

T144178
T144178-UN-24JUL01

1 - Message Display

2 - Menu Display

3 - Sub Menu Display

4 - Sub Sub Menu Display

5 - Information Display

6 - MENU Button

7 - BACK Button

8 - NEXT Button

9 - SELECT Button


  1. Message Display: Shows description of current menu screen selected.
  2. Menu Display: Shows which menu is currently selected.
  3. Sub Menu Display: Shows which sub menu is currently selected.
  4. Sub Sub Menu Display: Shows which sub sub menu is currently selected.
  5. Information Display: Information displayed varies, depending on which menu screen is currently selected.
  6. MENU Button: Push to advance through 5 menus (A, B, C, D, and E) and the default menu.

    Push MENU at any time while navigating through a menu to return to default data display.

  7. BACK Button: Push to return to the next higher menu. For example, if navigating in the A 01 sub menu level, pressing BACK will return the MDU data display to the A menu of the top menu level.
  8. NEXT Button: Push to advance from one menu to the next in the same sub menu level or sub sub menu level. For example, if navigating in the A 01 sub level, push NEXT button once to go to the A 02 menu.
  9. SELECT Button: Push to access the menu below the currently shown menu. For example, if sub level menu A 01 is currently displayed, press SELECT to display the A 011 sub sub level.

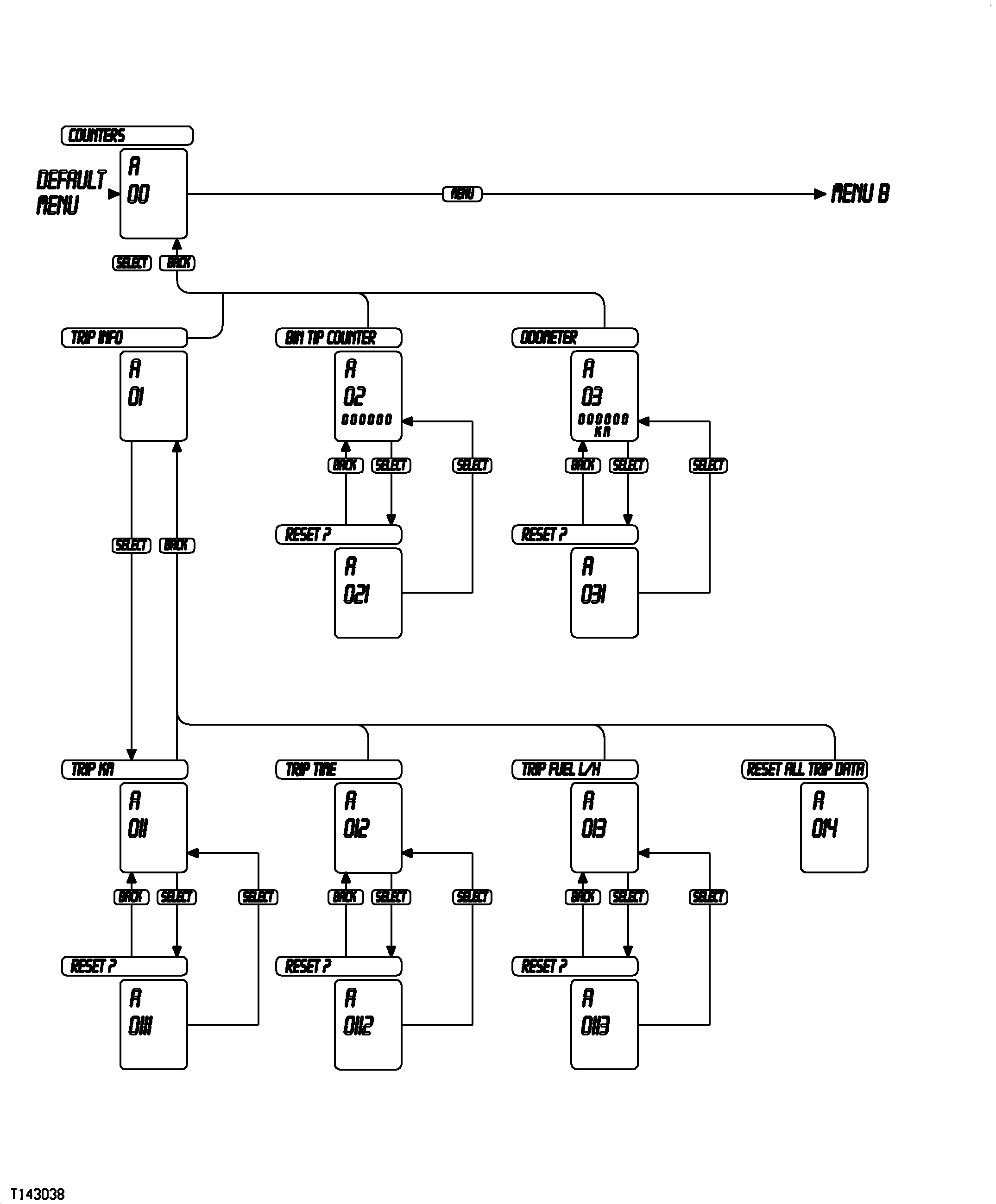
T143038
T143038-UN-11OCT01


T143039
T143039-UN-22OCT01


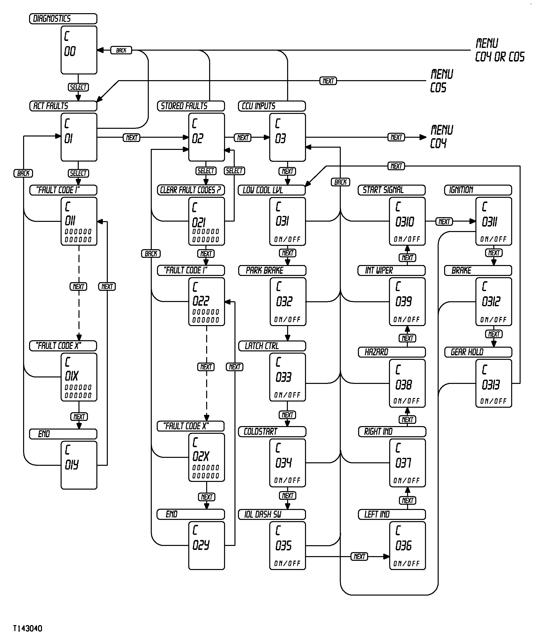
T143040
T143040-UN-11OCT01


T143744
T143744-UN-11OCT01


T143041
T143041-UN-22OCT01


T143042
T143042-UN-11OCT01


Menu Functions

Menu

Description

A

00

Counters

Menu displays counter information and allows counters to be reset.

 

A

01

Trip Information

Menu displays trip counter information since counters were last reset.

 

A

011

Trip Distance

Data display shows distance machine traveled, in kilometers or miles, since trip distance counter was last reset.

 

A

0111

Reset

Press SELECT for longer than 3 beeps to reset trip distance counter.

 

A

012

Trip Time

Data display shows machine operation time since trip time counter was last reset.

 

A

0121

Reset?

Press SELECT for longer than 3 beeps to reset trip time counter.

 

A

013

Trip Fuel

Data display shows machine fuel consumption rate since trip fuel counter was last reset.

 

A

0131

Reset?

Press SELECT for longer than 3 beeps to reset trip fuel counter.

 

A

014

Reset All Trip Data?

Press SELECT for longer than 3 beeps to reset all trip counters.

 

A

02

Bin Tip Counter

Data display shows number of times dump body was tipped since bin tip counter was last reset.

 

A

021

Reset?

Press SELECT for longer than 3 beeps to reset bin tip counter.

 

A

03

Odometer

Odometer displays distance machine has traveled in kilometers or miles. Odometer cannot be reset.

B

00

Actual Values

Menu displays machine sensor information.

 

B

01

Engine Values

Menu displays engine sensor information.

 

B

011

Engine Oil Pressure

Data display shows engine oil pressure in bar or psi.

 

B

012

Engine Coolant Temperature

Data display shows engine coolant temperature in °C or °F.

 

B

013

Throttle Position

Data display shows throttle position as a percentage of full throttle.

 

B

014

Actual Torque

Data display shows actual engine torque as a percentage.

 

B

015

Engine Retarder Torque

Data display shows engine brake as a percentage.

 

B

016

Engine Oil Level

Data display shows engine oil level as a percentage of full.

 

B

017

Fuel Consumption

Data display shows fuel consumption in L/h or gal/h.

 

B

02

Transmission Values

Menu displays transmission sensor information.

 

B

021

Transmission Temperature

Data display shows transmission temperature in °C or °F.

 

B

022

Lock-Up Clutch

Data display shows ON/OFF status of lock-up clutch.

 

B

023

Current Gear

Data display shows the currently activated travel gear.

 

B

024

Retarder Torque

Data display shows actual transmission retarder torque as a percentage.

 

B

025

Retarder Oil Temperature

Data display shows retarder oil temperature in °C or °F.

 

B

03

Vehicle Values

Menu displays miscellaneous machine sensor information.

 

B

031

Air Pressure

Data display shows system air pressure in bar or psi.

 

B

032

Fuel Level

Data display shows fuel supply in L or gal.

 

B

033

Bin Position

Data display shows body position as a percentage of body in full up position.

 

B

034

Hydraulic Temperature

Data display shows hydraulic oil temperature in °C or °F.

 

B

035

Brake Temperature

If machine is equipped with wet brakes, data display shows wet brake temperature in °C or °F.

 

B

036

Inter-Axle Lock

Data display shows ON/OFF status of differential lock.

C

00

Diagnostics

This menu is used to display service codes and diagnose inputs and outputs of CCU.

 

C

01

Actual Service Codes

Menu displays CCU service code. If service code appears, see Service Codes in Miscellaneous—Troubleshooting section.

 

C

011

Service Code 1

Data display shows first active service code. See Service Codes in Miscellaneous—Troubleshooting section.

 

C

012

Service Code 2

Data display shows second active service code. See Service Codes in Miscellaneous—Troubleshooting section.

 

C

01X

Service Code X

Continue to press NEXT button to advance through all active service codes.

 

C

01Y

End

Continue to press NEXT button until END is displayed on message display. Press NEXT button again to return to first active service code.

 

C

02

Stored Service Codes

Menu displays CCU service code. If service code appears, see Service Codes in Miscellaneous—Troubleshooting section.

 

C

021

Clear Service Codes?

Press SELECT for longer than 3 beeps to reset trip time counter.

 

C

022

ECU/TCU/CCU Service Code

Data display shows first stored service code. See Service Codes in Miscellaneous—Troubleshooting section.

 

C

02X

ECU/TCU/CCU Service Code X

Continue to press NEXT button to advance through maximum of 5 stored service codes.

 

C

02Y

End

Continue to press NEXT button until END is displayed on data display. Press NEXT button again to return to “CLEAR FAULT CODES?” display.

 

C

03

CCU Inputs

Menu displays ON/OFF status of CCU digital inputs.

 

C

031

Low Coolant Level

Data display shows ON/OFF status of low coolant level sensor.

 

C

032

Park Brake

Data display shows ON/OFF status of pressure switch controlling park brake light.

 

C

033

Latch Control

Data display shows ON/OFF status of park brake lever.

 

C

034

Coldstart

Data display shows ON/OFF status of machine coldstart function.

 

C

035

Inter-Axle Lock Dash Switch

Data display shows ON/OFF status of inter-axle lock dash switch.

 

C

036

Left Indicator

Data display shows ON/OFF status of left turn indicator input from steering column switch.

 

C

037

Right Indicator

Data display shows ON/OFF status of right turn indicator input from steering column switch.

 

C

038

Hazards

Data display shows ON/OFF status of hazard switch.

 

C

039

Intermittent Wipers

Data display shows ON/OFF status of intermittent wiper input from steering column switch.

 

C

0310

Start Signal

Data display indicates if key switch is in START position. ON indicates key switch is in START position; OFF indicates key is not in start position.

 

C

0311

Ignition

Data display indicates if key switch is in RUN position. ON indicates key switch is in RUN position; OFF indicates key is not in RUN position.

 

C

0312

Brake

Data display indicates if brake pedal is being depressed. ON indicates brake pedal is being depressed. OFF indicates brake pedal is not being depressed.

 

C

0313

Gear Hold

Data display indicates ON/OFF status of range hold rocker switch.

 

C

04

CCU Analog Inputs

Menu displays CCU analog inputs in milivolts for analog sensors as measured at CCU input.

 

C

041

Bin Position

Data display shows milivolts of at bin position sensor at CCU input and the associated value of bin position as a percentage of full tip value.

 

C

042

Air Pressure

Data display shows milivolts of air pressure sensor as measured at CCU input and the air pressure value in bar or psi.

 

C

043

Hydraulic Temperature

Data display shows milivolts of hydraulic temperature sensor as measured at CCU input and temperature value in °C or °F.

 

C

044

Wet Brake Temperature

Data display shows milivolts of wet brake temperature sensor as measured at CCU input and temperature value in °C or °F.

 

C

045

Battery Voltage

Data display shows both single battery voltage and 2 battery voltage in volts.

 

C

046

Fuel Level

Data display shows milivolts of fuel level sensor as measured at CCU input and fuel level value in L or gal.

 

C

05

CCU Outputs

Menu displays CCU analog output signal ON/OFF status.

 

C

051

Intermittent Wipers

Data display shows CCU intermittent wiper output signal ON/OFF status.

 

C

052

Left Indicator

Data display shows CCU left turn indicator output signal ON/OFF status.

 

C

053

Right Indicator

Data display shows CCU right turn indicator output signal ON/OFF status.

 

C

054

Inter-Axle Lock

Data display shows CCU inter-axle lock output signal ON/OFF status.

 

C

055

Park Brake

Data display shows CCU park brake output signal ON/OFF status.

 

C

056

Overspeed

Data display shows CCU overspeed output signal ON/OFF status.

 

C

057

Hydraulic Cutout

Data display shows CCU hydraulic cutout output signal ON/OFF status.

 

C

058

Brake

Data display shows CCU brake light output signal ON/OFF status, activated with engine brake and transmission retarder.

 

C

059

Bin Float

Data display shows CCU bin float output signal ON/OFF status.

 

C

0510

Purging Unit

Data display shows CCU purging unit output signal ON/OFF status.

 

C

0511

Engine Running

Data display shows CCU engine run output signal ON/OFF status.

D

00

Machine Configuration

Menu displays the current machine settings and allows them to be adjusted, if necessary.

 

D

01

Wiper Intermittent Timing

Menu displays current setting of intermittent wipers and allows setting to be changed.

 

D

011

3 Seconds

Press NEXT as necessary to advance through screens, until desired intermittent wiper time interval is displayed. When desired interval is displayed, press SELECT for longer than 3 beeps to activate that interval.

 

D

012

4 seconds

Press NEXT as necessary to advance through screens, until desired intermittent wiper time interval is displayed. When desired interval is displayed, press SELECT for longer than 3 beeps to activate that interval.

 

D

01XX

XX Seconds

Press NEXT as necessary to advance through screens, until desired intermittent wiper time interval is displayed. When desired interval is displayed, press SELECT for longer than 3 beeps to activate that interval.

 

D

0120

20 Seconds

Press NEXT as necessary to advance through screens, until desired intermittent wiper time interval is displayed. When desired interval is displayed, press SELECT for longer than 3 beeps to activate that interval.

 

D

02

Tire Size

Menu allows tire size to be selected to reflect tire size installed on machine.

NOTE: Value shown in data display is dynamic rolling radius of tire in mm.

 

D

021

647

Press NEXT as necessary to advance through screens, until machine tire size is displayed. When tire size is displayed, press SELECT for longer than 12 beeps to select that interval.

 

D

022

714

Press NEXT as necessary to advance through screens, until machine tire size is displayed. When tire size is displayed, press SELECT for longer than 12 beeps to select that interval.

 

D

023

734

Press NEXT as necessary to advance through screens, until machine tire size is displayed. When tire size is displayed, press SELECT for longer than 12 beeps to select that interval.

 

D

02XX

XXX

Press NEXT as necessary to advance through screens, until machine tire size is displayed. When tire size is displayed, press SELECT for longer than 12 beeps to select that interval.

 

D

0217

YYY

Press NEXT as necessary to advance through screens, until machine tire size is displayed. When tire size is displayed, press SELECT for longer than 12 beeps to select that interval.

 

D

03

Imperial/English Units

Menu allows operator to determine whether measurements will be displayed in Imperial/English units or metric units.

 

D

031

ON

Press SELECT for 3 beeps to display Imperial/English units.

 

D

032

OFF

Press SELECT for 3 beeps to display metric units.

 

D

04

Bin Tip Angle

Menu allows operator to set bin full down and bin full up positions. Also allows operator to determine bin tip counter parameters.

 

D

041

Set Zero

With machine body in the full down position, press SELECT for longer than 3 beeps to set the zero position. Display will change to show 0%.

 

D

042

Set Full Tip

With machine body in the full up position, press SELECT for longer than 3 beeps to set the zero position. Display will change to show 100%.

 

D

043

Set Low Bin Counter Trigger

Before setting low bin count trigger, set zero and full tip values.

Low bin counter trigger default is body raised 10%.

To set low bin counter trigger, raise body to desired low bin counter trigger height. Data display will show current bin height percentage. Press SELECT for 12 beeps to set low bin counter trigger.

 

D

04

Set High Bin Counter Trigger

Before setting high bin count trigger, set zero and full tip values.

High bin counter trigger default is body raised 70%.

To set high bin counter trigger, raise body to desired high bin counter trigger height. Data display will show current bin height percentage. Press SELECT for 12 beeps to set high bin counter trigger.

E

00

Machine Identification

Menu displays machine identification information.

 

E

01

ECU

Menu displays engine control unit (ECU) identification information.

 

E

011

EN XXXXXX

Message display shows ECU part number.

 

E

012

Software Version

Data display shows current ECU software version.

 

E

013

Hardware Version

Data display shows current ECU hardware version.

 

E

014

Serial Number

Message display shows ECU serial number.

 

E

015

Engine Hours

Data display shows engine hours logged on current ECU.

 

E

02

TCU

Menu displays transmission control unit (TCU) identification information.

 

E

021

TN XXXXXX

Message display shows TCU part number.

 

E

022

Software Version

Data display shows current TCU software version.

 

E

023

Hardware Version

Data display shows current TCU hardware version.

 

E

024

Serial Number

Message display shows TCU serial number.

 

E

03

MDU

Menu displays monitor display unit (MDU) identification information.

 

E

031

VIN AEB XXXXX

Message display shows the vehicle identification number of the machine.

 

E

032

Software Version

Data display shows current MDU software version information.

 

E

033

Hardware Version

Data display shows current MDU hardware version.

 

E

034

Serial Number

Data display shows MDU serial number.

 

E

035

Engine Hours

Data display shows MDU hours on current MDU.

 

E

04

CCU

Menu displays chassis control unit (CCU) identification information.

 

E

041

VIN AEB XXXXXX

Message display shows the vehicle identification number of the machine.

 

E

042

Software Version

Data display shows current CCU software version information.

 

E

043

Hardware Version

Data display shows current CCU hardware version.

 

E

044

Serial Number

Message display shows CCU serial number.

 

E

045

Engine Hours

Data display shows CCU hours on current CCU.

OUO1043,0000DB5-19-20010621