Pass Codes
There are two levels of password protection to enhance machine
security and restrict access to certain features.
There is also a text enable and disable pass code. This code
is “702” and cannot be changed.
-
Owner level
-
Operator level
Owner Level
The owner pass code is capable of performing the following:
-
Owner pass code change
-
Operator pass code enable or disable
-
Reset operator pass code without knowing operator pass code
-
Machine start pass code feature enable or disable
-
Change owner pass code
-
Access Service screens
-
Access all sub service screens
-
Enter machine start pass code whether operator pass code is
enabled or not.
-
Machine start and operate
The owner pass code can access the following screens:
-
PDU setup
-
Service menus
-
Machine start pass code enable or disable
The default owner pass code is “000”.
In the event of a lost pass code, a manual procedure is required
to reset.
Operator Level
The operator level pass code is capable of setting the following:
-
Start and operate the machine only. The operator cannot change
any internal settings.
-
Set cruise control speed
NOTE: The operator pass code is disabled by default.
The operator pass code is set at the owner level.
Owner Pass Code Reset:

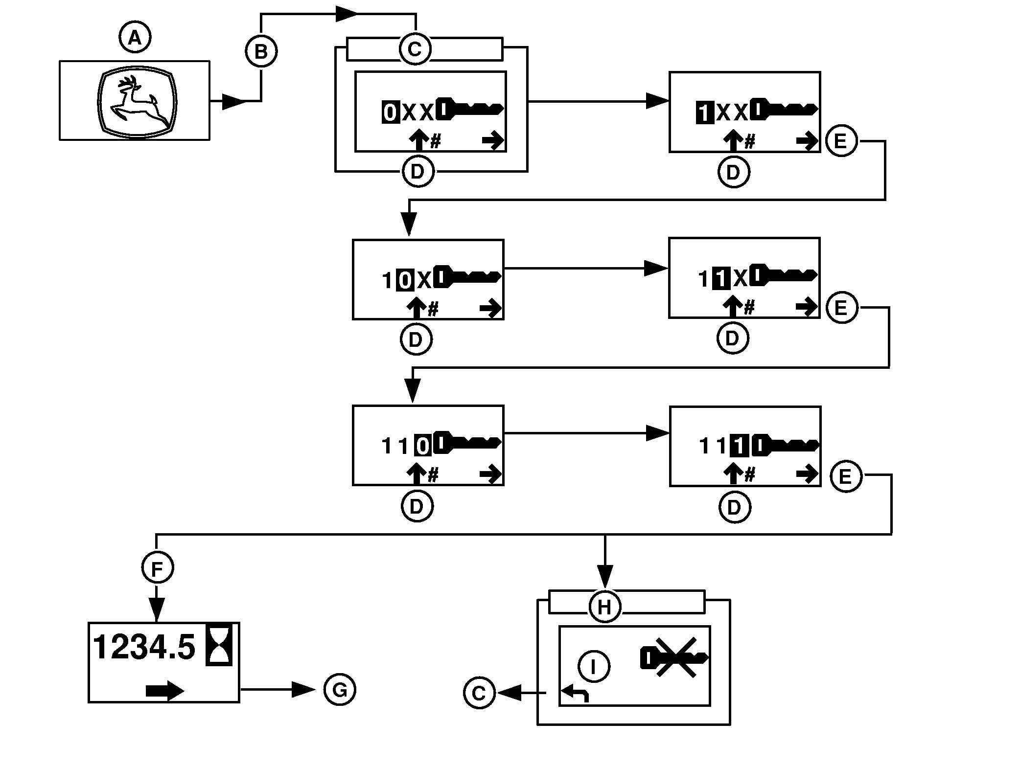
TCT012108-UN-23JAN15
A - Splash screen with key on
B - 2 second delay
C - Enter pass code screens
D - Number increment key (center press)
E - Next screen (right press)
F - Valid pass code
G - Main operational screen
H - Invalid pass code screens
I - Return (left press)
At start-up the display turns on, displaying the John Deere
logo for 2 seconds. During these 2 seconds, the pass code can be reset
to factory default (000) with a specific button sequence.
-
Turn key switch to run position.
-
Push (within 2 seconds) and hold center and right buttons for
3 seconds.
-
Release buttons. If the wrong key combinations are pressed or
the procedure times out, the screen reverts to the main operational
screen.
-
Check display, if the procedure was successful, the default
factory pass code of “000” is set. The display shows text
“Reset Password to Factory Default”.
NOTE: This procedure automatically disables the operator pass
code if it was set.
|
|
MX00654,0000047-19-20151105
|
|