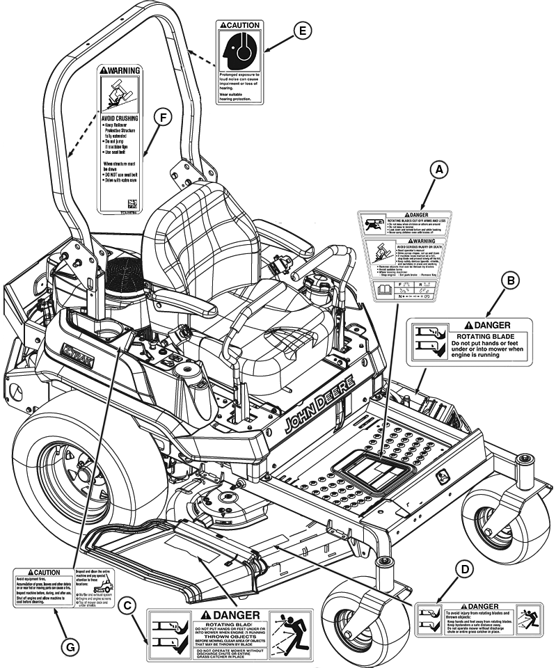
Safety Label Location

TCT016775
TCT016775-UN-14SEP18

A - DANGER, WARNING - UC18777

B - DANGER - M118610

C - DANGER - M156388

D - DANGER - M139128

E - CAUTION - UC17577

F - LABEL - TCU39704

G - LABEL - UC14930


SR99263,000002D-19-20180914