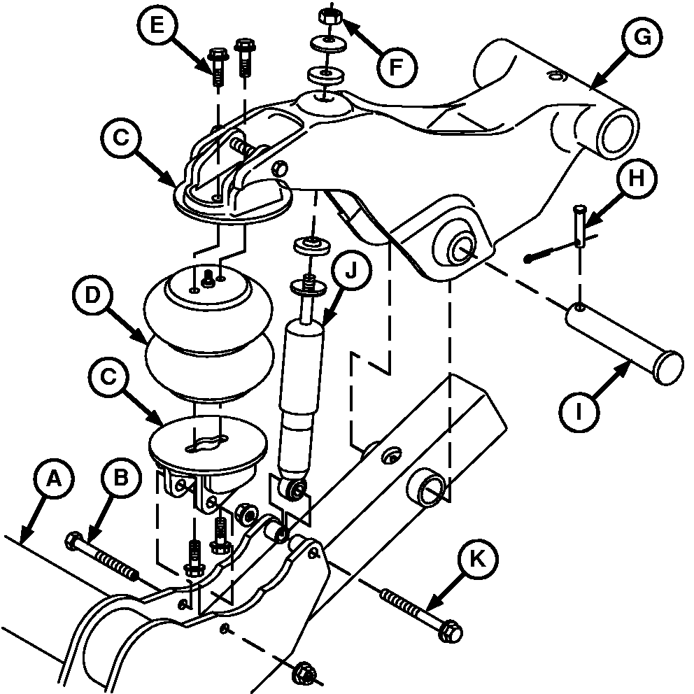
Replacing Axle Suspension Springs and Shock Absorbers-CX15 and CX20

1. Support axle with safety stand or hoist at location (A).

2. Remove wheel(s) and spindle assembly from wheel arm.

3. Deflate air spring (D).

4. Remove rubber bumper, snubbing washer, and nut (F) from top of shock absorber (J).

causym CAUTION: Approximate weight of wheel arm (G), without wheel(s) and spindle, is 16 kg (35 lb). To help prevent personal injury from falling or shifting wheel arm, use a lifting device to remove.

5. Remove cotter pin and pin (H), pivot pin (I) and wheel arm (G) from axle strut.

6. Remove cap screw (B).

7. Remove flange head cap screws (E), retainers (C) and air spring (D).

8. Remove cap screw (K) and shock absorber (J).

9. Install new air spring and/or shock absorber in reverse order of removal using the following special instructions:

  • Tighten nut (F) until it bottoms out and can no longer be turned.
  • Inflate air spring (D) to proper pressure and level rotary cutter. (See procedure in LEVELING THE ROTARY CUTTER in Preparing the Rotary Cutter section.)
W07718

Left-Hand Wing Suspension Shown


A-Support Location
B-Cap Screw, M10 x 120
C-Air Spring Retainers
D-Air Spring
E-Cap Screw, 3/8 x 1 in. (4 used)
F-Nut
G-Wheel Arm
H-Pin
I-Pivot Pin
J-Shock Absorber
K-Flange Head Cap Screw, M12 x 120

OUO6077,0001482 -19-06FEB06-1/1