EL-4 Electrical Operation - Diagram

WZ290201345


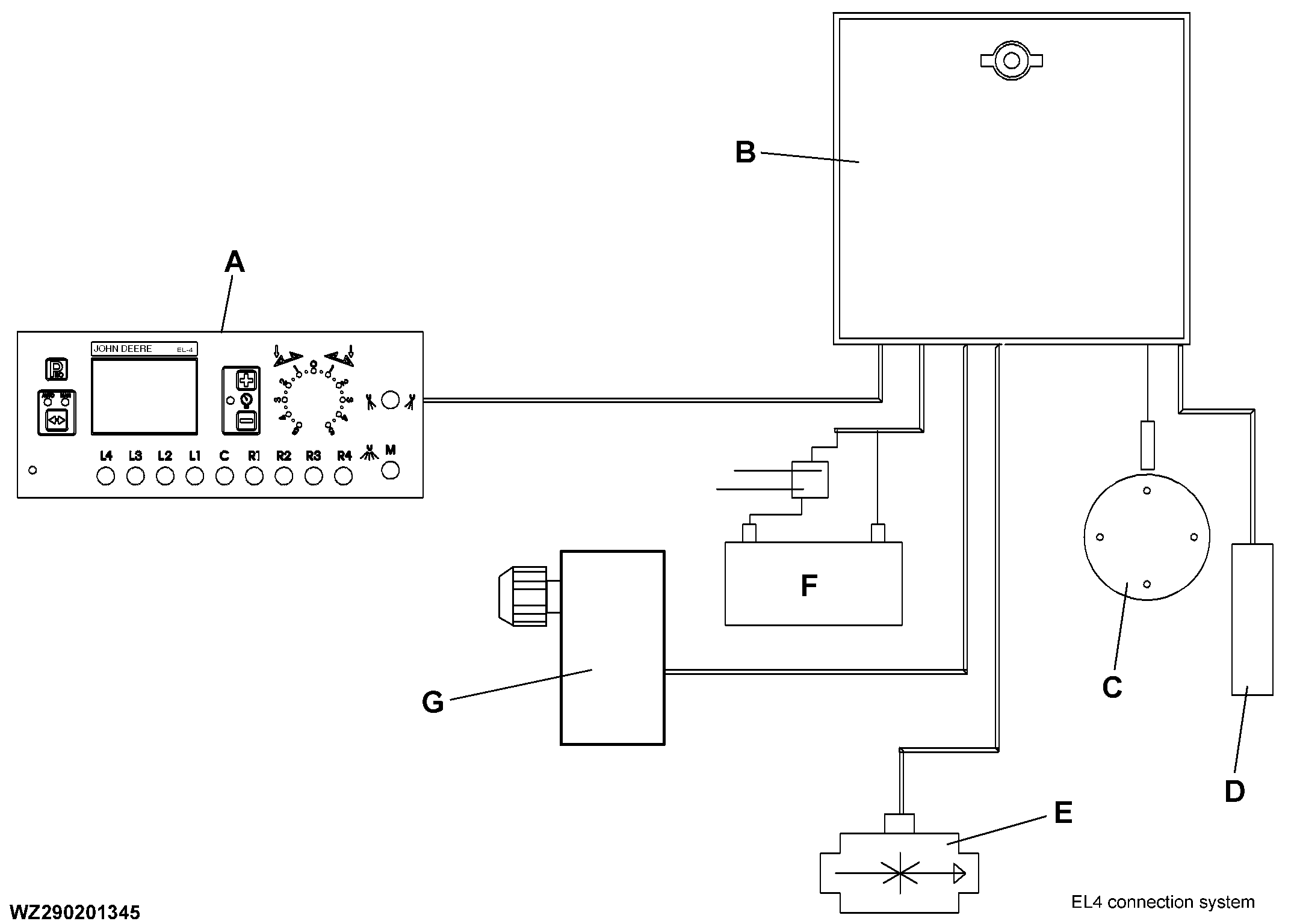
A-Control box
B-Machine distribution box


C-Wheel sensor
D-Pressure sensor


E-Flow sensor
F-Battery


G-Pressure regulator

WZ00085,000037E -19-03AUG05-1/3


Fixing bracket

The control box must be fitted in the cab by means of the supplied fixing bracket (A) and must be easily accessible and visible.

WZ290101483

WZ00085,000037E -19-03AUG05-2/3


Wiring diagrams

The wiring diagrams are located in the receiver box of the machine (A).


A-Receiver box

WZ290101720

WZ00085,000037E -19-03AUG05-3/3