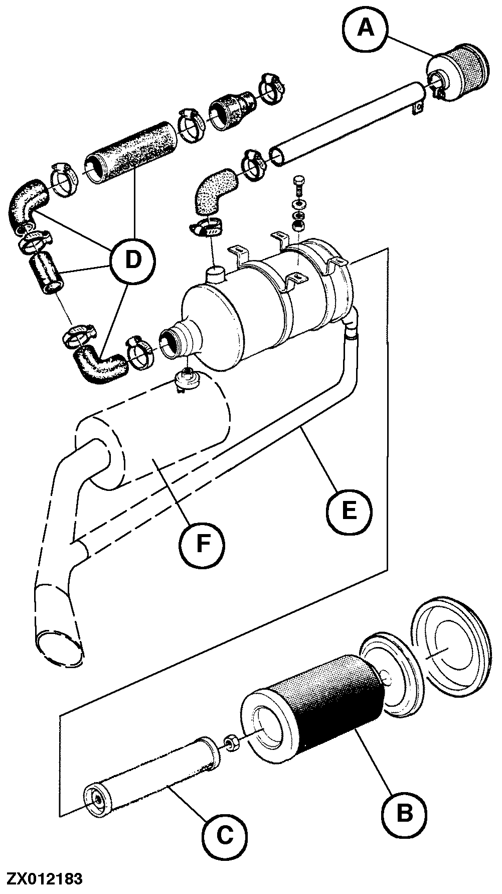
Air Intake System


A-Filter Screen
B-Primary Element
C-Safety Element
D-Suction Tube
E-Air Cleaner Suction Pipe
F-Muffler

ZX012183

ZX,OM1170009751 -19-15SEP97-1/1