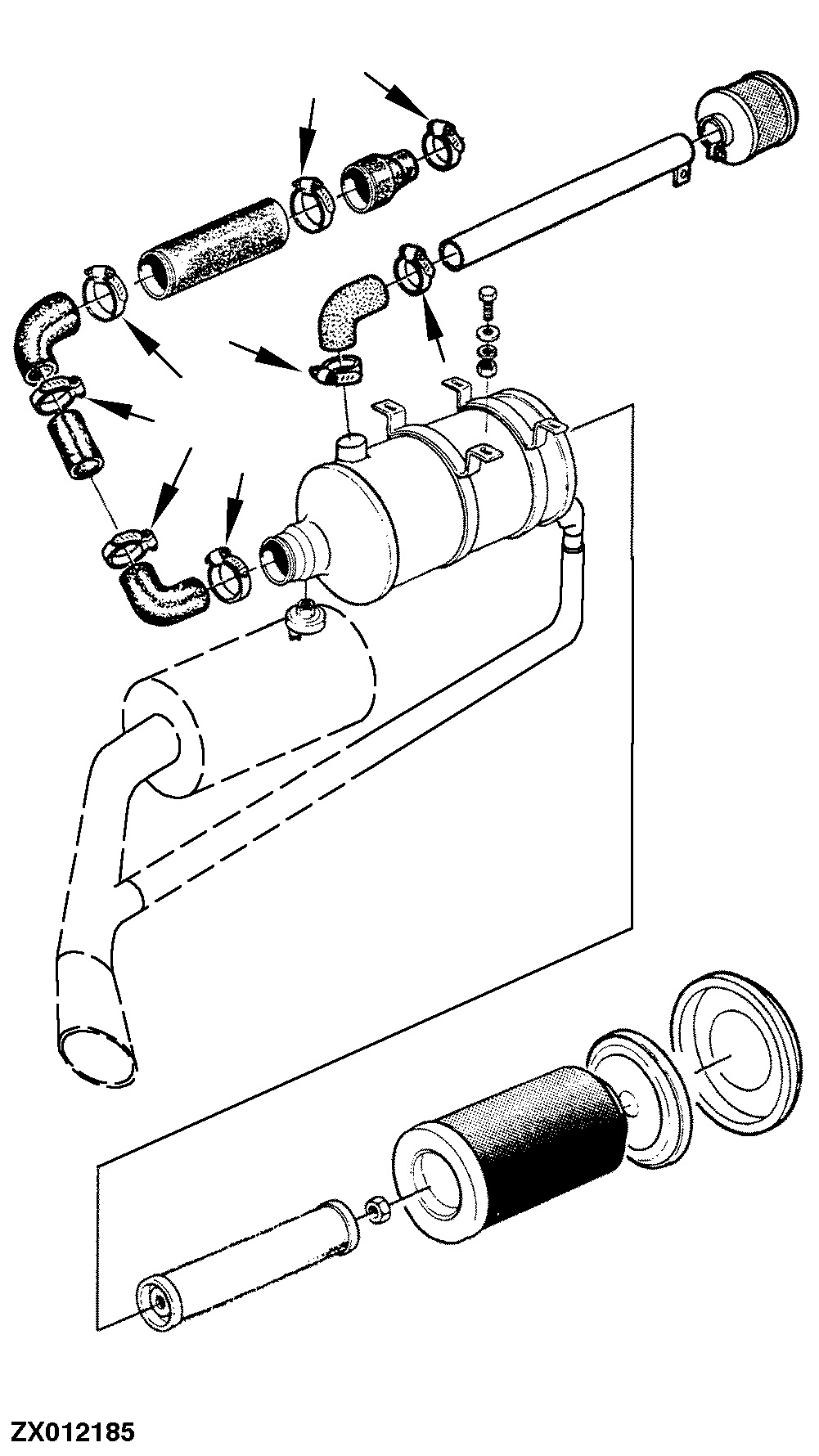
Air Intake Lines

Connections between steel tube and rubber hoses are sealed by hose clamps.

At least once a year, check and make sure that all hose clamps are seated and tightened correctly. When necessary, replace hoses or clamps.

ZX012185

ZX,OM1170009753 -19-15SEP97-1/1