Refilling Hydraulic Oil

IMPORTANT: Always use specified oil (see Section "Fuel, Lubricants, Coolant and Capacities"). Carefully clean filler neck area before filling with fresh oil.

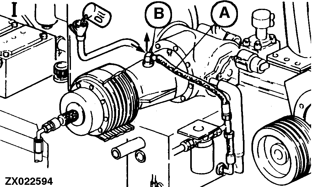
Refilling Bevel Gear Drive with Oil (I):

Remove hose (A) and elbow (B).

By means of a hose and a funnel, refill approx. 11 L (2.9 U.S. gal) of fresh oil through filler neck. Reinstall elbow and hose.

Refilling Hydraulic Oil Tank with Oil (II):

Refill up to upper sight glass (X).

ZX022594
ZX022595

OUZXMAY,00002E4 -19-16SEP00-1/1