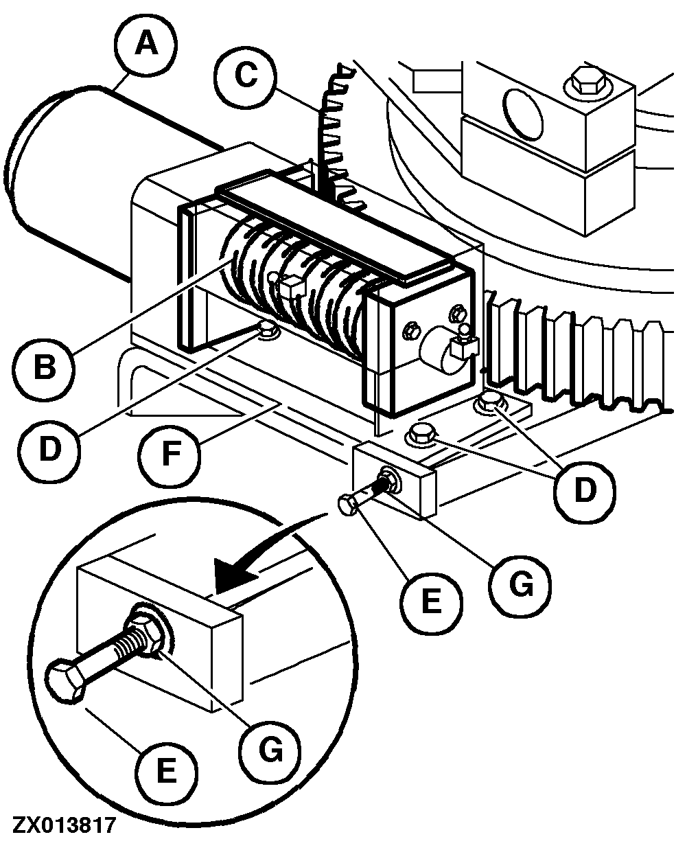
Spout Worm Gear and Ring Gear

Power from hydraulic motor (A) is transmitted via worm gear (B) to ring gear (C) attached to the spout at the turning point. Stops attached with screws at the bottom limit the turning movement. In their end position, the stops move against a support welded to the spout base.

Adjustment

Slacken off screws (D). Push worm gear (B) against ring gear (C) by turning cap screw (E) clockwise, so that the worm gear meshes easily with the ring gear without jamming. Tighten screws (D). Tighten lock nut (G).


A-Hydraulic motor
B-Worm gear
C-Ring gear
D-Screws
E-Locking screw
F-Adjusting plate
G-Lock nut

ZX013817

ZX,OMSPFH001259 -19-01NOV97-1/1