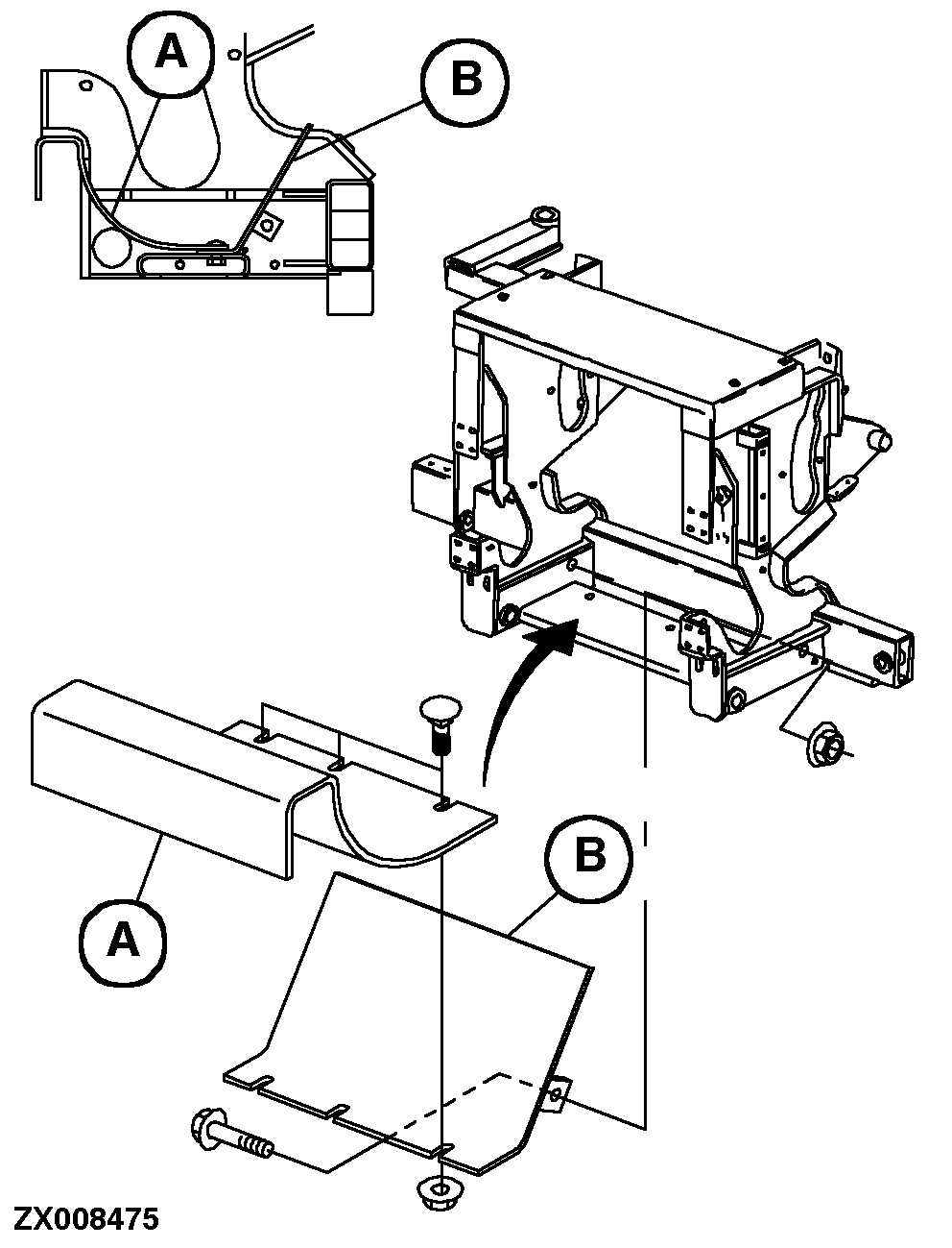
Cover Plates Under Feed Rolls

For ear corn silage and sorghum (milo), cover plates (A) and (B) must be installed under the feed rolls to prevent crop loss.

ZX008475

ZX,OMUSFH003551 -19-01NOV97-1/1