John Deere

OMTCU16258

Issue A2

Lightweight Fairway Mower

3215B TURF SYSTEM I

3215B TURF SYSTEM I PIN (030001-)

3225B TURF SYSTEM II PIN (020001-)

3235B TURF SYSTEM II PIN (030001-)

Introduction

Product Identification

Safety

Operating Machine

Operating Cutting Units

Replacement Parts

Service Intervals

Service Lubrication

Service Engine

Service Transmission

Service Cutting Units

Service Electrical

Battery Statement

Cleaning or Replacing Battery

Checking Battery Electrolyte Level

Using Booster Battery

Replacing Fuses

Replacing Indicator Light Bulbs

Electrical Components (Rear Section)

Electrical Components (Front Section)

Service Miscellaneous

Troubleshooting

Storage

Assembly

Specifications

Warranty

John Deere Quality Statement

Service Record

CopyrightŠ Deere & Company

All Manuals Close Window

Service Electrical


Battery Statement

WARNING: Battery posts, terminals and related accessories contain lead and lead components, chemicals known to the State of California to cause cancer and reproductive harm. Wash hands after handling.

Cleaning or Replacing Battery

c CAUTION: Avoid injury! Battery gas can explode:

ˇ Keep sparks and flames away from batteries. Use a flashlight to check battery electrolyte level.

ˇ Never check battery charge by placing a metal object across the posts. Use a voltmeter or hydrometer.

ˇ Always remove grounded (-) battery clamp first and replace it last.


M85446

1. Remove two 10 mm bolts and clips (A) securing battery to frame.

2. Remove negative (black) cable (B) from battery first.

3. Remove positive (red) cable (C).

4. Remove battery, If battery is very dirty.

5. Clean battery, battery terminals, cable ends and battery ledge with a solution of 1 part baking soda to 4 parts water. keep solution out of battery cells.

6. Rinse all parts with clean water. Let it dry.

7. Install battery. Connect negative cable last.

Checking Battery Electrolyte Level

c CAUTION: Avoid injury! Battery electrolyte contains sulfuric acid. It is poisonous and can cause serious burns:

ˇ Wear eye protection and gloves.

ˇ Keep skin protected.

ˇ If electrolyte is swallowed, get medical attention immediately.

ˇ If electrolyte is splashed into eyes, flush immediately with water for 15-30 minutes and get medical attention.

ˇ If electrolyte is splashed onto skin, flush immediately with water and get medical attention if necessary.

NOTE: Add only distilled water to replace normal electrolyte loss.

IMPORTANT: Avoid damage! Do not fill cells to the bottom of the filler neck (B). Electrolyte can overflow when battery is charged and cause damage.


1. Remove battery manifold cap to check electrolyte level.


M39772

2. Electrolyte level (A) should be 6 mm. (1/4 in) above plates (C).

3. Add distilled water if necessary.

4. Install manifold cap. Be sure manifold cap hose is installed behind positive (+) cable.

Using Booster Battery


TS204

c CAUTION: Avoid injury! The battery produces a flammable and explosive gas. The battery may explode:

ˇ Do not attempt to jump start a frozen battery. Warm to 16 degrees C (60 degrees F).

ˇ Do not smoke near battery.

ˇ Wear eye protection and gloves.

ˇ Keep sparks and flames away.

ˇ Do not connect the negative (-) booster cable to the negative (-) terminal of the discharged battery. Connect at a good ground location away from the discharged battery.


M71044

A - Booster Battery

B - Disabled Vehicle Battery

1. Connect positive (+) booster cable to booster battery (A) positive (+) post (C).

2. Connect the other end of positive (+) booster cable to the disabled vehicle battery (B) positive (+) post (D).

3. Connect negative (-) booster cable to booster battery negative (-) post (E).

4. Connect the other end (F) of negative (-) booster cable to a metal part of the disabled machine frame away from battery.

5. Start the engine of the disabled machine and run machine for several minutes.

6. Carefully disconnect the booster cables in the exact reverse order: negative cable first and then the positive cable.

Replacing Fuses

NOTE: Fuse holders are located under seat by the service switch.


M57563

ˇ (A)10 amp fuse--switched power (has yellow/black wire and yellow/white wire leads).

ˇ (B) 20 amp fuse--lights and auxiliary power (has yellow/black wire and yellow red wire leads).

1. Pull back tab to slide fuse case apart and replace defective fuse.

2. Replace with fuse of correct amperage.

Replacing Indicator Light Bulbs


M57517

1. Remove two screws (A).

2. Pull indicator light module (B) up and out.


M57570

3. Twist bulb socket (C) counterclockwise 1/4 turn and pull out.

4. Pull bulb (D), carefully, straight out of socket and replace with a new bulb.

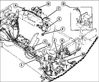
Electrical Components (Rear Section)


M56550A

A - Coolant Overheat Switch

B - Air Preheat

C - Protection Diode (Fuel Shut-off)

D - Transmission Neutral Switch (3235B looks different)

E - Fuel Shut-off Solenoid

F - Oil Pressure Switch

G - High Current Relay

H - Start Relay

I - Four-Wheel Drive Switch

J - Service Switch

K - 10 and 20 Amp Fuses

L - Pull-In-Coil Relay

M - Raise/Lower Switch

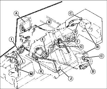
Electrical Components (Front Section)


M56550B

A - Control Module

B - Seat Switch

C - Backlapping Knob

D - Mow Valve Solenoids

E - Hydro Oil Pressure Switch

F - Park Lock Switch

G - Ignition Switch

H - Backlapping/Mow Valves

I - Three Diode Pack

J - Brake Pedal Switch

K - Hydro Temperature Switch

L - Mow/Transport Switch

M - Fuel Level Sender